МОТОЦИКЛЕВИЙ КОЛІНВАЛ TOP RACING СТАНДАРТ 2T 125 CCM YAMAHA DT125 DTR125
- Час доставки: 7-10 днів
- Стан товару: новий
- Доступна кількість: 4
Просматривая «МОТОЦИКЛЕВИЙ КОЛІНВАЛ TOP RACING СТАНДАРТ 2T 125 CCM YAMAHA DT125 DTR125», вы можете быть уверены, что данный товар из каталога «Коленчатые валы» будет доставлен из Польши и проверен на целостность. В цене товара, указанной на сайте, учтена доставка из Польши. Внимание!!! Товары для Евросоюза, согласно законодательству стран Евросоюза, могут отличаться упаковкой или наполнением.
КОЛІНВАЛ МОТОЦИКЛ TOP RACING 2T 125 CCM YAMAHA DT125 DTR125 TZR125 SACHS XTC125
Код товару: WAJ6030096
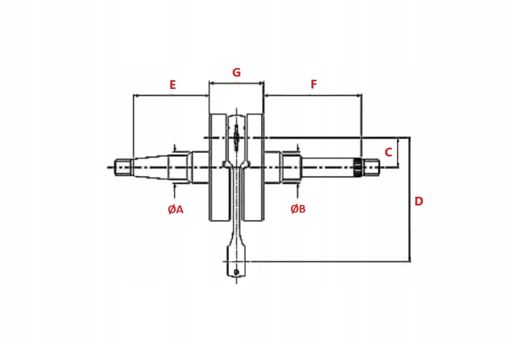
Характеристики продукт:
· ВУГІЛЬНИЙ ВАЛ TOP RACING/JASIL для двигунів 2T 125 CCM
· Верховний якісна заміна, ідентична оригінальній запчастині
· Підшипник поршневий палець - 16х21х19,6 мм
· Розміри:
A - 25,00 мм
B - 25,00 мм
C - 23,35 мм
D - 105,00 мм
E - 63,00 мм
F - 59,95 мм
G - 57,80 мм
· Вироблено відповідно до стандартів якості ISO
Застосування: YAMAHA DT125, DTR125, TZR125, SACHS XTC125подробиці у вкладці "підходить". зробити” та таблицю нижче
JASIL — португальська металообробна компанія, основною діяльністю якого є виробництво деталей та аксесуарів для мотоциклів та скутери. 70 років досвіду та прагнення до досконалості – результат постійні інвестиції в нові технології, розробку нових продуктів, догляд за якість з акцентом на кінцевого користувача
