Муфта для бензопили Makita PS-3410
- Час доставки: 7-10 днів
- Стан товару: новий
- Доступна кількість: 4
Просматривая «Муфта для бензопили Makita PS-3410» данный товар из каталога «Муфты», вы можете получить дополнительную скидку 4%, если произведете 100% предоплату. Размер скидки вы можете увидеть сразу при оформлении заказа на сайте. Внимание!!! Скидка распространяется только при заказе через сайт.
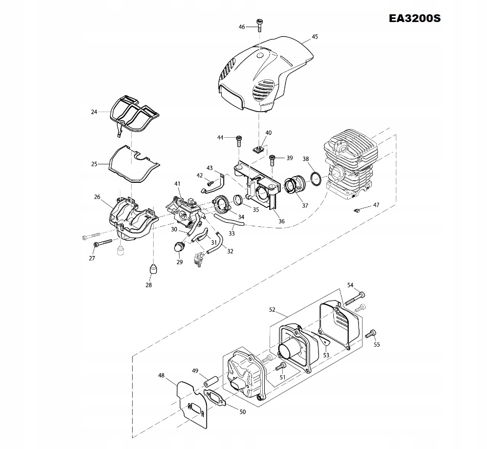
/ Муфта Makita для пилки / бензопили EA3200S
МУФТА КОМПЛЕКТ
- Виробник: Makita
- Код виробника: 168607-9 / 165180200
- Позиція на схемі: 133 - EA3200S li>
Застосування:
Бензинова пила / бензопила
- EA3200S
- EA3201S
- EA3500S
- EA3501S
- EA3502S
- EA3503S
- DCS3400 b>
- DCS3410
- DCS3410TH
Бензопила Dolmar бензин
- PS-32
- PS-32C
- PS-32 C TLC
- PS-35
- PS-35 C
- PS-35 C TLC
- PS-35 TLC
- PS-3400 li>
- PS-3410
- PS3410TH
Перелік деталей для EA3200S
Елемент на схемі, номер за каталогом, опис, кількість
001-1 ; 168823-3; КРИШКА БАКА В КОМПЛЕКТЕ; 1
002; 213080-9; O-RING 29.5 для EA3200S; 1
003-1; 163447-0; ПАЛИВНИЙ ФІЛЬТР для DCS230T; 1
004; 195758-5; ПАЛИВНИЙ БАК для EA3200S "MAKITA"; 1
005; 266651-1; Гвинт 5,5х16; 1
006; 452021-2; КРИШКА ЗАДНЬОЇ РУЧКИ для EA3200S; 1
007; 452020-4; АВАРІЙНИЙ ВАЖІЛЬ для EA3200S; 1
008; 231866-9; SPRING 10 для EA3200S; 1
009; 452019-9; ВАЖІЛЬ ДРОСЕЛЬНОЇ ЗАСЛЕНКИ для EA3200S; 1
010; 195762-4; ПОВІТРЯНИЙ КЛАПАН для EA3200S; 1
011; 452018-1; З'ЄДНАННЯ ПАЛИВОТРУБКИ для EA3200S; 1
012; 213586-7; O-RING 11.5 для EA3200S; 1
013; 424456-7; ПАЛИВНА ТРУБА для EA3201S; 1
014; 869077-2; ТАБЛИЧКА EA3200S; 1
017; 452036-9; РУЧКА ТРУБКИ для EA3200S; 1
018; 346517-2; ШАЙБА для EA3201S; 1
019; 234189-4; SPRING 12 для EA3200S; 1
020; 266605-8; Гвинт з внутрішнім шестигранником M5x16; 1
021; 266651-1; Гвинт 5,5х16; 1
022; 891898-4; ЕТИКЕТКА з ЛОГОТИПОМ MAKITA для EA3200S; 1
023; 266651-1; Гвинт 5,5х16; 4
024; 452031-9; КРИШКА ПОВІТРЯНОГО ФІЛЬТРУ для EA3200S; 1
025; 423414-0; ПОВІТРЯНИЙ ФІЛЬТР для EA3200S; 1
026; 452030-1; ГНІЗДО ПОВІТРЯНОГО ФІЛЬТРУ для EA3200S; 1
027; 266604-0; ГВИНТ M4x40; 2
028; 424173-9; АМОРТИЗАТОР для EA3200S; 2
029; 168398-2; ПАЛИВНИЙ НАСОС для DCS230T; 1
030; 422067-2; ШЛАНГ 2,5-55 для EA3200S; 1
031; 422065-6; ШЛАНГ 2,5-112 для EA3200S; 1
032; 422068-0; ШЛАНГ 3-70 для EA3200S; 1
033; 422066-4; ШЛАНГ для EA3200S; 1
034; 318634-8; ФЛАНЕЦЬ для EA3200S; 1
035; 346413-4; ВТУЛКА 17 для EA3200S; 1
036; 452024-6; ПЕРЕГОРОДА для EA3200S; 1
037; 424340-6; ВХІДНИЙ ГНІЗД для EA3200S; 1
038; 233971-8; КІЛЬЦЕ для EA3201S; 1
039; 266651-1; Гвинт 5,5х16; 1
040; 264044-6; ГАЙКА М5; 1
041-1; 168849;-5 КАРБЮРАТОР; 1
042; 266421-8; Гвинт 3х10; 1
043; 346290-4; ВЕСНА; 1
044; 266651-1; Гвинт 5,5х16; 1
045-1; 452023-8; ВЕРХНЯ КРИШКА для PS32C DOLMAR; 1
046; 266607-4; Гвинт М5х20; 1
048; 346306-5; РОЗМІРНА ПЛАСТИНА для EA3200S; 1
049; 325939-9; З'ЄДНУВАЛЬНИЙ КАБЕЛЬ для EA3200S; 1
050; 346304-9; ПРОКЛАДКА для EA3200S; 1
051; 266605-8; Гвинт з внутрішнім шестигранником M5x16; 2
052; 168604-5; КОМПЛЕКТ ГЛУШНИКІВ. для EA3201S; 1
053; 346294-6; ІСКРОВА КОЛОНКА для EA3201S; 1
054; 266606-6; Гвинт М5х40; 1
055; 266605-8; Гвинт з внутрішнім шестигранником M5x16; 2
056-1; 196384-3; КОМПЛЕКТ ЦИЛІНДР + ПОРШЕНЬ. для EA3200S; 1
C10; 142136-0; ЦИЛІНДР КОМПЛЕКТ; 1
057; 195760-8; ПОРШНЕВИЙ НАБІР. для EA3200S; 1
058; 325991-7; RING 38 для EA3201S; 1
059; 325992-5; ПОРШНЕВИЙ ШТИФТ для EA3200S; 1
060; 233988-1; ПРУЖИННЕ КІЛЬЦЕ 8 для EA3200S; 1
061-1; 213084-1; САЛЬНИК 12; 1
062; 211341-1; ПІДШИПНИК 6201 для EA3200S; 1
063; 212086-4; ПІДШИПНИК голчастий 810 для EA3200S; 1
064-1; 197539-3; КОЛІНВАЛ КОМПЛЕКТ; 1
065; 211341-1; ПІДШИПНИК 6201 для EA3200S; 1
066-1; 213084-1; САЛЬНИК 12; 1
067-1; 424872-3; УПЛОТНЕННЯ КАРТЕРА; 1
068; 318633-0; KARTER для EA3200S; 1
069-1; 168823-3; КРИШКА БАКА В КОМПЛЕКТЕ; 1
070; 213080-9; O-RING 29.5 для EA3200S; 1
072; 266651-1; Гвинт 5,5х16; 2
073; 234189-4; SPRING 12 для EA3200S; 1
074; 816917-5; ЕТИКЕТКА для EA3200S; 1
075; 452025-4; ВАЖІЛЬ
