НАБІР УНІТАЗУ, GEBERIT BASIC UP100 DELTA ПРИХОВАНІ РАМКИ, ARBO SLIM RIM
- Час доставки: 7-10 днів
- Стан товару: новий
- Доступна кількість: 88
Просматривая «НАБІР УНІТАЗУ, GEBERIT BASIC UP100 DELTA ПРИХОВАНІ РАМКИ, ARBO SLIM RIM», вы можете быть уверены, что данный товар из каталога «Наборы для скрытого монтажа в туалете» будет доставлен из Польши и проверен на целостность. В цене товара, указанной на сайте, учтена доставка из Польши. Внимание!!! Товары для Евросоюза, согласно законодательству стран Евросоюза, могут отличаться упаковкой или наполнением.
НАБІР УНІТАЗУ, НАСТІННА РАМА GEBERIT BASIC UP100 DELTA BOWL ARBO SLIM RIM
У набір входить:
- Рама прихованого унітазу: GeberitDuofix Basic UP100
- Монтажні кронштейни: Geberit
- Настінна чаша без оправи біла: Arbo Slim Rim
- Дюропластове сидіння з повільним закриванням: Arbo Slim Rim
- Матова чорна кнопка врівень: CaroCaro Mocha li>
Характеристики GEBERIT:
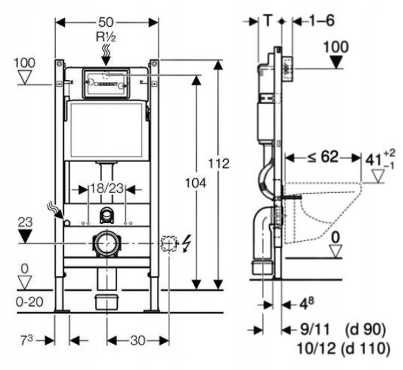
Бачок прихованого монтажу UP100 з фронтальним активуванням
Бачок прихованого монтажу з ізоляцією проти роси
Можливість налаштувати кількість промивної води p>
Можливість постійного встановлення меншої кількості води в бачку
З заводськими налаштуваннями повторна промивка можлива негайно
Підключення води посередині ззаду/ верх
З’єднувальний шланг, що прикручується вручну, з кутовим клапаном
Рамка з порошковим покриттям, ультрамариновий синій
Самонесуча
Рамка з ø Отвори 9 мм для кріплення в дерев’яній шпильці
Оцинковані ніжки, плавно регулюються від 0 до 20 см
Плита підлоги, ширина придатна для встановлення в профілі UW50
Глибина установки 12 см
Застосування:
Для встановлення в повну стіну або стіну з гіпсокартону, часткову або висоту приміщення
Для підвісної чаші з відстанню між отворами 18 см або 23 см
Для встановлення на поверхнях із товщиною шару підлоги 0–20 см
Активація натисканням спереду
Не підходить для вбудовування в бетон
Оболонка має повільно закривається дошку з металевими петлями, що робить її дуже міцною. Чаша призначена для монтажу на каркасі, що монтується врівень. Виготовлена з високоякісної сантехнічної кераміки. Завдяки спеціальній фазі виробництва він міцний і легко миється. Красива і функціональна чаша, яка ідеально заповнить простір ванної кімнати. Оригінальний і позачасовий дизайн у поєднанні з високою якістю виготовлення.
УНІТАЗ ARBO SLIM RIM, RIMLESS ПОВІЛЬНО ЗАКРИВАЄМОСЯ ТВЕРДЕ СИДІННЯ ДЮРОПЛАСТ СТАНДАРТ
Специфікація продукту:
Тип сидіння: Підвісне
Виробник: Arbo
Модель: Slim Rim
Тип: Rimless
Колір: білий
Матеріал: Сантехнічна кераміка
Тип плити: Повільне закриття p>
Відстань між отворами: 18 см
Довжина: 48 см
Ширина: 37 см
Висота: 37 см
Кнопка змиву
- Виробник: CaroCaro
- Модель: мокко
- Колір: чорний матовий
- 2 діапазони змиву
- Активація натисканням спереду
- Матеріал: пластик
Кнопка не продукт компанії Geberit.
Технологія без оправи
Наші унітази оснащені інноваційною системою Rimless, яка дозволяє легко підтримувати гігієну за рахунок зменшення використання хімікатів. Ця система також зменшує споживання води до 30%, що позитивно впливає як на довкілля, так і на сімейний бюджет.
Переваги твердої дошки, що повільно закривається:
Поверхня, що імітує поєднання металу та кераміки
Гладка поверхня
Можливість швидкого розбирання (напр. прання)
Вага - чим важча дошка, тим краща якість, її структура щільніша, не проникають бактерії та запахи.
