НАПРУГА ЗНИЖУЮЧА 253В ZAMEL ЕКО РЕС ПВ ЕКО-01
- Час доставки: 7-10 днів
- Стан товару: новий
- Доступна кількість: 200
Заказывая «НАПРУГА ЗНИЖУЮЧА 253В ZAMEL ЕКО РЕС ПВ ЕКО-01» данный товар из каталога «Фотовольтаїка» вы можете быть уверены, что после оформления заказа, доставки в Украину, вы получите именно то, что заказывали, в оговоренные сроки и европейского качества.
СТАБІЛІЗАТОР РОБОТИ МІКРО-ВОЛЬТАЇЧНОЇ ФЕЛЕКТРИЧНОЇ УСТАНОВКИ
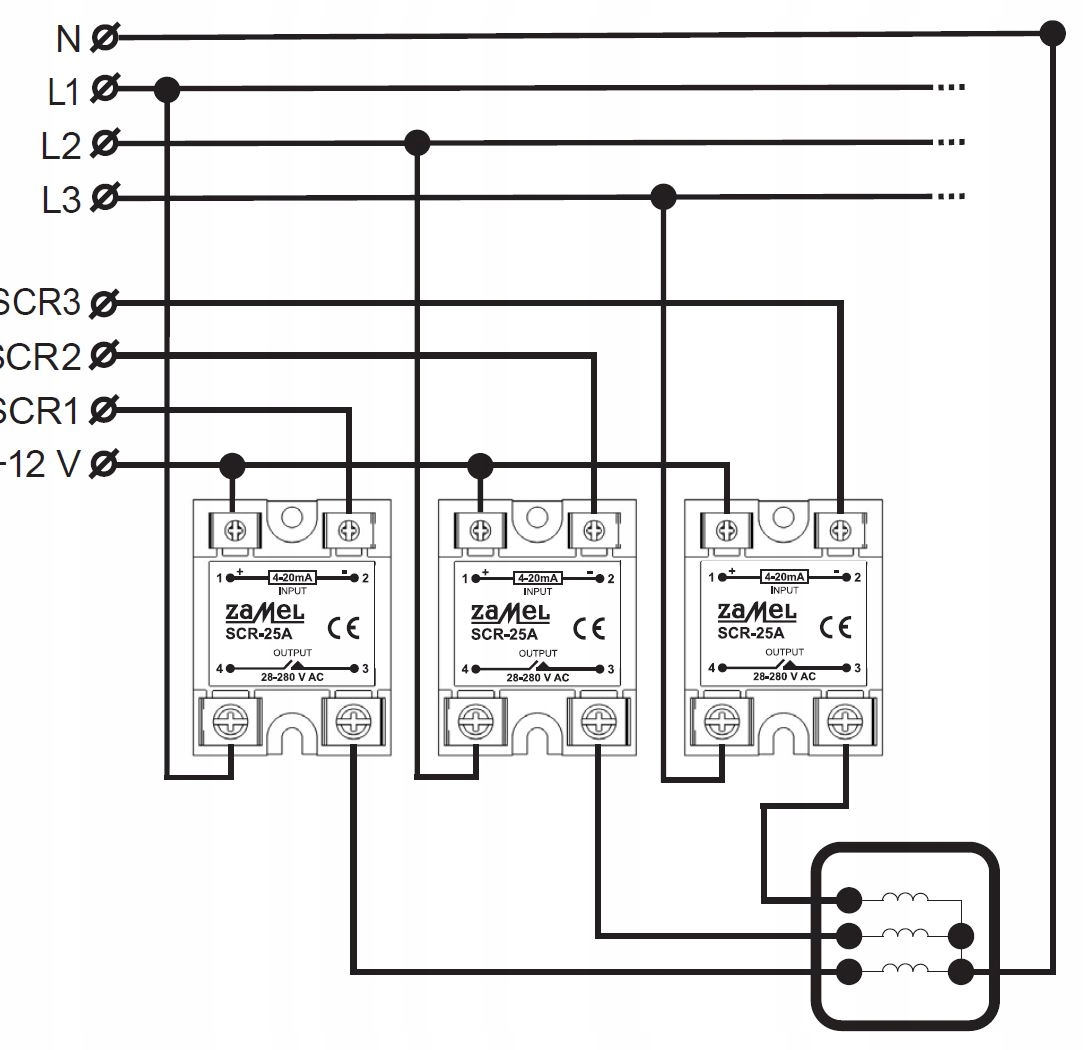
До складу eko-oze-pv входять:
• вимірювальна частина - контролює напругу на окремих фазах в режимі реального часу,
• виконавча частина - обладнана трифазним регулятором з аналоговим входом (SCR - 25A) - керує навантаженням підключеного приймача,
• трансформатори струму - використовуються для аналізу всіх важливих параметрів електричної мережі,
• цифровий датчик температури - до бака гарячої води.
Коли Пристрій розпізнає підвищення напруги, яке може спричинити перевищення рівня, встановленого під час конфігурації, він активує підключений приймач - найчастіше бойлер гарячої води з електронагрівачами. Робота такого приймача створює резистивне навантаження, яке сприяє локальному зниженню напруги.
Виконавча частина набору eko-oze-pv керує підключеним приймачем таким чином, щоб модулювати створюване ним навантаження пропорційно поточному попиту. Завдяки цій робочій характеристиці процес зниження напруги можна розподілити в часі, щоб забезпечити безперервну роботу фотоелектричної установки протягом багатьох годин під дією підвищеної напруги.
Найважливішими характеристиками приладу є:
• поточний аналіз параметрів напруги та струму в електричній мережі по трьох фазах,
• регулювання навантаження на обраних фазах в обсязі, необхідному для реалізації обраної користувачем функції (пріоритет зниження напруги або пріоритет нагріву води),
• збільшення частки власного споживання в характеристиках споживання домогосподарства ,
• зниження витрат на підігрів гарячої води ,
• можливість вибору одного з режимів роботи,
• розвиток продукту припускаючи розширення функціональності з наступними оновленнями.
*ОБІГРІВАЧІ НЕ ВХОДЯТЬ (ДЛЯ ПОКУПКИ В НАС)
З'являється новий параметр «температура власного споживання»
Якщо користувач хоче зберегти можливість зниження напруги під час стрибків напруги, він може встановити температуру режиму власного споживання так, щоб нижчий за максимально допустимий для бака.
Підтримка реле
Ми додали підтримку реле в режимах ECO та COMFORT. Після перевищення встановленого користувачем рівня потужності обігрівача в даній фазі включається призначене йому реле (перше реле відповідає першій фазі, друге - другій, третє - третій). Користувач задає мінімальну тривалість роботи даного реле, а також мінімальну тривалість перерви перед наступним спрацьовуванням. Цей час запобігає частому вмиканню та вимиканню підключеного пристрою, що може спричинити пошкодження.
