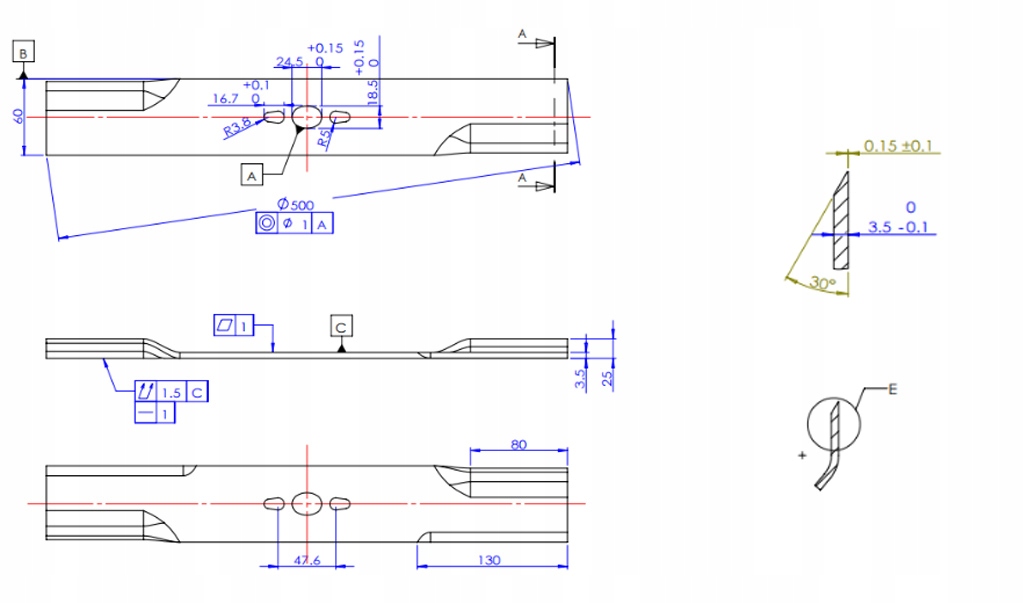
НІЖ ДЛЯ ГАЗОНОКОСАРКИ 50 см ПЕРЕМЕЛЮЮЧИЙ NAC СЕРІЯ S461 LS46 LP46
Код: 17349046239
1067 грн
Ціна вказана з доставкою в Україну
Товар є в наявності
ЯК ЕКОНОМИТИ НА ДОСТАВКЕ?
Замовляйте велику кількість товарів у цього продавця
Інформація
- Час доставки: 7-10 днів
- Стан товару: новий
- Доступна кількість: 1
Оплачивая «НІЖ ДЛЯ ГАЗОНОКОСАРКИ 50 см ПЕРЕМЕЛЮЮЧИЙ NAC СЕРІЯ S461 LS46 LP46» данный товар из каталога «Ножи», вы можете получить дополнительную скидку 4%, если произведете 100% предоплату. Размер скидки вы можете увидеть сразу при оформлении заказа на сайте. Внимание!!! Скидка распространяется только при заказе через сайт.
довжина 500 мм
ширина 60 мм
Діаметр центрального отвору 24 мм
Форма отворів центру 2 x поперечна сльоза, 1 x еліптичний отвір
відстань бічних отворів 70 мм (зовнішній)
підходить NAC S511V, S511VH, S511VHY, S511VY, S511HY, S511H NAC LP50-475, LP50-575-H, LP50-575-HS, LP50-375SD, LP50-475SD, LS50-5
