Новинка! 8виходів Драйвер F107wave effect WS2811 MONO
- Час доставки: 7-10 днів
- Стан товару: новий
- Доступна кількість: 100
Оплачивая «Новинка! 8виходів Драйвер F107wave effect WS2811 MONO» данный товар из каталога «Драйверы» вы можете быть уверены, что после оформления заказа, доставки в Украину, вы получите именно то, что заказывали, в оговоренные сроки и европейского качества.
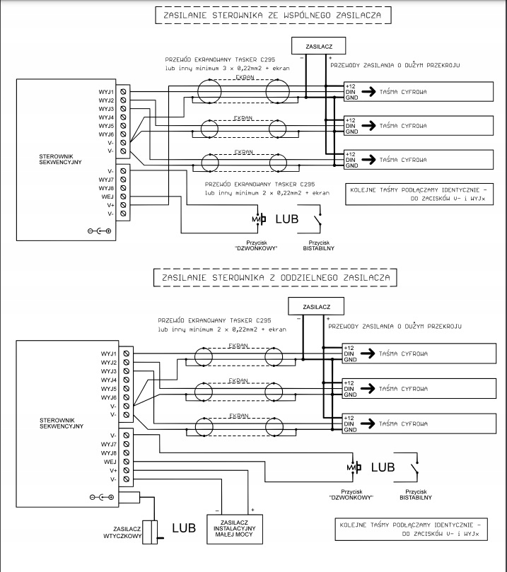
Драйвер F107дозволяє отримати ефект обертання/розширення світла кожного разу, коли ви його вмикаєте чи вимикаєте. Це рішення ідеально підходить для коридорів, сходів, підвісних стель, полиць, ніш і будь-де, де ми хочемо досягти інноваційного ефекту освітлення. Контролер має кілька попередньо завантажених ефектів, наприклад, розмотування стрічки зсередини,
- Напруга живлення: 5-24В
- Функція анімованого підсвічування коридору (лінія, що розширюється)< /li> < /li>
- 5 смуг - 350 пікселів
- 6 смуг - 350 пікселів
- 7 смуг - 250 пікселів
- 8 смуг - 250 пікселів
Пульт дистанційного керування MiLight FUT092 дозволяє керувати драйверами світлодіодних стрічок RBG+CCT. Пульт дистанційного керування підтримує до 4 зон з одночасним радіусом дії приблизно 30 м. Він розроблений для забезпечення інтуїтивно зрозумілого керування шляхом вибору кольору за допомогою сенсорного кола, плавного затемнення та освітлення, зміни насиченості кольорів, перемикання динамічних програм і зміни їх швидкості . Пристрій також дозволяє плавно змінювати температуру білого кольору.
Новинка! Багатовихідний цифровий контролер F107 MONO складаний/розкладний Mono
Ми представляємо абсолютно новий продукт на польському ринку!!!
Компанія Studio-Led із задоволенням представляє вам новий контролер F107 MONO для цифрових світлодіодних стрічок.
Щоб задовольнити очікування наших клієнтів, ми створили контролер, який дозволяє отримати ефект згорнутої/розширеної лінії.
Це продукт, повністю виготовлений і розроблений нашими національними експертами в галузі програмування світлодіодних контролерів. Бренд Elegant штурмом завойовує внутрішній і зовнішній ринки, поєднуючи в собі інноваційні рішення, простоту використання і безвідмовність. Наші консультанти постійно прислухаються до новин ринку, як вітчизняного, так і закордонного, завдяки чому ми можемо виправдати навіть найвибагливіші очікування. Ми є піонерами в багатьох питаннях, пов'язаних зі світлодіодним освітленням. Наші клієнти - це група людей, які повертаються до нас з посмішками та неприхованим захватом для наступних інвестицій.
На інших наших аукціонах ви знайдете контролери у версіях RGB (Ws2811) і RGBW (TM1814)
