Однорядний радіально-опорний кульковий підшипник 7205 B ZVL
- Час доставки: 7-10 днів
- Стан товару: новий
- Доступна кількість: 1
Приобретая «Однорядний радіально-опорний кульковий підшипник 7205 B ZVL» данный товар из каталога «Подшипники качения» вы можете быть уверены, что после оформления заказа, доставки в Украину, вы получите именно то, что заказывали, в оговоренные сроки и европейского качества.
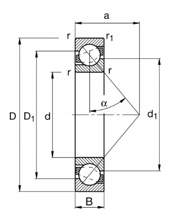
Однорядний радіально-упорний кульковий підшипник
- Підшипник із контактним кутом 40 градусів (B)
- Сталевий кошик
- Діапазон температур від -20 до +120
Контактні кулькові підшипники призначені для перенесення комбінованих навантажень, тобто радіальних і осьових.
До основних груп цих підшипників належать:
- однорядні радіально-упорні кулькові підшипники,
- однорядні радіально-упорні кулькові підшипники з подвійним напрямком
- дворядні радіально-упорні кулькові підшипники
Однорядні радіально-упорні кулькові підшипники використовуються в усіх галузях промисловості. Скрізь, де навіть невеликі осьові навантаження виключають використання звичайного кулькового підшипника, радіально-упорні підшипники виявляються оптимальним і відносно найбільш економічним рішенням, а поєднання спеціальної конструкції сепаратора з високим класом точності забезпечує високі параметри обертання.
Однорядні радіально-упорні кулькові підшипники можуть сприймати осьове навантаження в одному напрямку. Залежно від кута нахилу бігова доріжка може нести складні навантаження. Використовуючи пари підшипників, ви можете створювати точні та жорсткі системи, здатні витримувати будь-які комбінації навантажень.
Контактні кулькові підшипники однорядні з кутом контакту 40° призначені для перенесення відносно великих осьових навантажень
Основна місія ZVL SLOVAKIA, a.s. полягає в наданні надійних та ефективних рішень і високоякісних продуктів клієнтам у секторі підшипників. Висока якість і задоволеність клієнтів підтверджуються тим фактом, що понад 86% продукції експортується по всьому світу.
Маючи понад 50 років досвіду роботи в галузі, вона є одним із найбільших виробників підшипників і комплектуючих для різних галузей промисловості та допомагає досягти високої якості продукції, що випускається на рівні світових стандартів.
