Орбітальний гідравлічний двигун SMH55 32 мм 6,5 кВт
Код: 10199207303
10317 грн
Ціна вказана з доставкою в Україну
Товар є в наявності
ЯК ЕКОНОМИТИ НА ДОСТАВКЕ?
Замовляйте велику кількість товарів у цього продавця
Інформація
- Час доставки: 7-10 днів
- Стан товару: новий
- Доступна кількість: 2
Заказывая «Орбитальный гидравлический мотор SMH55 32 мм 6,5 кВт» данный товар из каталога «Гидравлические двигатели», вы можете получить дополнительную скидку 4%, если произведете 100% предоплату. Размер скидки вы можете увидеть сразу при оформлении заказа на сайте. Внимание!!! Скидка распространяется только при заказе через сайт.
Ім'я :
SMH5500 32 мм 6,5 кВт орбітальний гідравлічний двигун
Опис :
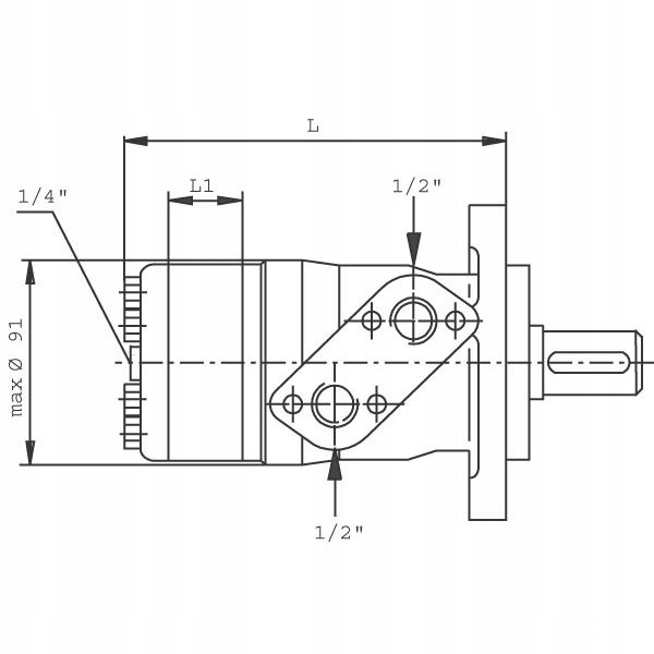
- Номер деталі KSMH5004BDGP1
- Технічні характеристики - Висока вісь і радіальне навантаження ося та високе затягування - незначне споживання
- Переваги - Коефіцієнт хорошої ціни - довге життя
- Застосування- можливість використовувати там, де потрібні високі крутні та низькі швидкості- також адаптуються до постійної зміни напрямку обертання- можливість постійного використання під високим тиском
- Властивості- Конструкція роликів- широкий ковзаючий підшипник вала- із серії середніх орбітальних двигунів- з дренажом витоку нафтового компактного та дуже твердої структури
- Ігровий блок
- Підключення 1/2 "BSP; 1/4" BSP Масло витоку
- Типи роликів 4-еко коміра (SAE A)
- Ø Wałów (мм) 32
- Увага, двигуни оснащені з'єднанням нафтового масла, завдяки якому їх можна легко поєднувати з іншими двигунами або використовувати в закритих гідравлічних системах.
- Вибір ефективності (CM³/Rev.) 489.2
- l (-mm) 206
- l1 (-mm) 65
- P1 (бар) 155
- p2 (-bar) 190
- p3 (-bar) 210
- nmax (об/хв) 155
- n хв. (-Rpm) 10
- крутний момент (da nm) 83
- Q Макс. (l/хв) 75
- Сила (KW) 6.5
виробник : заміна
