ORBITROL OSPC 160 НА 150N2153 СИЛЬНА БРЕНД
- Час доставки: 7-10 днів
- Стан товару: новий
- Доступна кількість: 897
Оплачивая «ORBITROL OSPC 160 ДЛЯ СИЛЬНОЙ МАРКИ 150N2153» данное изделие из «Рулевое управление» вы можете быть уверены, что после оформления заказа, доставки в Украину, вы получите именно то, что заказывали, в оговоренные сроки и европейского качества.
ORBITROL OSPC 160 ON
Виробництво:
Оригінальний продукт торгової марки Hydrolider, символ: 1.06.00.160
Порівняльні номери сторонніх виробників:
OSPC-160-ON; OSPC160ON; 150N2153
Застосування:
Широко використовується в системах рульового керування в промислових машинах і транспортних засобах, які використовуються на транспорті, у сільському господарстві, садівництві, лісовому господарстві, будівництві та промисловості.
Orbitrol OSPC 160 ON призначений для гідравлічного керування системою рульового керування в сільськогосподарських тракторах, навантажувачах, екскаваторах, комбайнах та будівельних машинах тощо.
Застосування в тракторах: b>
URSUS: C-385, C-385A, 902, 912, 914, 1202, 1204, 1212, 1214
ZETOR : b> 8011, 8111, 8045, 8145
CASE IH: JX 55, 60, 65, 70, 75, 80, 85, 90, 95
NEW HOLLAND TD: 5040, 5050, 60D, 70D, 80D, 90D, 95D
ШАНОВНИЙ КЛІЄНТЕ, ПРОЧИТАЙТЕ ЦЕ ПЕРЕД КУПУВАННЯМ ORBITROL:
Orbitrol є дуже точним і важливим пристроєм для безпеки дорожнього руху, на жаль, на ринку є багато продуктів низької якості, які , на перший погляд, виглядає так само, але його погана точність заважає правильному керуванню та експлуатації трактора. Ми не рекомендуємо найдешевші орбітроли, з ненадійних джерел, від продавців, які не мають досвіду продажу такого типу пристроїв.
Технічні дані орбітролу:
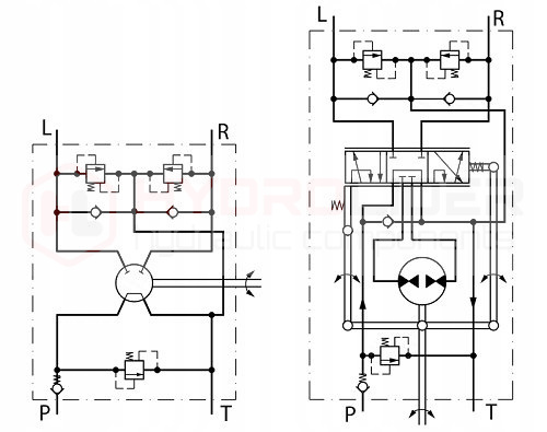
Orbitrol 160 з системою ON (OPEN NORMALLY), при стоячому кермі масло циркулює в системі весь час і вільно проходить через orbitrol, зворотну лінію в бак, тоді насос працює, але не навантажений.
- З'єднання: P, T, A, B внутрішня різьба [BSP]: 1/2"
- Кріплення на рульовій колонці: 4x Гвинт M10 - 16 мм
- Налаштування клапана: переливний 160 бар, ударний тиск 240 бар
- Геометричний об'єм: 160 см3/об
- Рекомендована витрата масла в системі: від 12 до 18 л /хв.
- Матеріал: чавун
Креслення з повними розмірами (фото):
Переваги орбітролів виробництва Hydrolider:
- Спеціальна, посилена та більш точно виготовлена конструкція забезпечує ідеальну роботу без витоків, без ривків керма і, найголовніше , дуже легке та плавне керування навіть у дуже навантажених транспортних засобах.
- Кожен orbitrol надсилається разом з інструкціями щодо підключення гідравлічних ліній, ми також надаємо повну технічну підтримку у виборі відповідного orbitrol та встановлення.
- Виготовляється на професійних виробничих лініях, надходить із надійного джерела, перевірені товари від надійного виробника.
- Керування навіть у разі несправності трактора чи насоса, ця функція дуже корисна в надзвичайних ситуаціях ситуації, наприклад під час буксирування.
Гідравлічна схема OSPC ON orbitrol (фото):
