Основа стовпа оцинкована, прикручена до бетону, анкерна ніжка 100x100 2,5 мм
Код: 16499994308
1031 грн
Ціна вказана з доставкою в Україну
Товар є в наявності
ЯК ЕКОНОМИТИ НА ДОСТАВКЕ?
Замовляйте велику кількість товарів у цього продавця
Інформація
- Час доставки: 7-10 днів
- Стан товару: новий
- Доступна кількість: 663
Просматривая «Основание опоры оцинкованное, прикрученное к бетону, анкерная ножка 100x100 2,5 мм.», вы можете быть уверены, что данный товар из каталога «Полюсные базы» будет доставлен из Польши и проверен на целостность. В цене товара, указанной на сайте, учтена доставка из Польши. Внимание!!! Товары для Евросоюза, согласно законодательству стран Евросоюза, могут отличаться упаковкой или наполнением.
Опис основи опори, пригвинченої до бетону
Основа колони PSPD 100 мм, товщиною 2,5 мм
- Основа, розроблена спеціально для з’єднання дерев’яних стовпів квадратного перерізу з бетоном, відіграє ключову роль у забезпеченні не лише довговічності, але й естетики всієї конструкції.
- Завдяки монтажним отворам, розташованим зовні основи, конструкція набуває додаткової стабільності, що означає довговічність і безпека використання. Однак глибоко вирізані сторони основи створюють унікальну можливість повністю розкрити природну красу деревини, підкреслюючи її текстуру та характер.
- Це поєднання функціональності та естетики робить цю основу не лише міцним структурним елементом, але й візуально привабливим доповненням до всього дизайну.
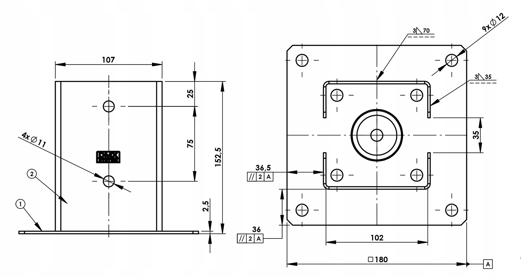
Розміри:
- Ширина основи - 180 мм.
- Висота основи - 152 мм.
- Внутрішня ширина: 102 мм.
- 9 нижніх отворів - 12 мм.
- 4 отвори для стовпів - 11 мм.
- Товщина листа 2,5 мм
Кріплення:
- Анкер M10
- Столярні шурупи з шайбою
- Стержень різьбовий M10 + шайби та ковпачок гайки
Матеріал:
- сталевий лист S235 + срібло гарячеоцинковане
Технічне креслення
ТЕХНІЧНА ДОКУМЕНТАЦІЯ:
- Європейський технічний сертифікат
- Декларація продуктивності
- Сертифікат відповідності заводського контролю виробництва
Пропоновані нами бази відрізняються відмінною якістю та гарантією безперебійного використання в будівельних проектах. Ми прагнемо забезпечити наших клієнтів повною безпекою та надаємо продукти, адаптовані до конкретних застосувань
