Основа стовпа оцинкована, прикручена до бетону, анкерна ніжка 120x120 2,5 мм
Код: 16511847375
1138 грн
Ціна вказана з доставкою в Україну
Товар є в наявності
ЯК ЕКОНОМИТИ НА ДОСТАВКЕ?
Замовляйте велику кількість товарів у цього продавця
Інформація
- Час доставки: 7-10 днів
- Стан товару: новий
- Доступна кількість: 521
Оплачивая «Основание столба оцинкованное, прикрученное к бетону, анкерная ножка 120x120 2,5 мм.» данный товар из каталога «Полюсные базы» вы можете быть уверены, что после оформления заказа, доставки в Украину, вы получите именно то, что заказывали, в оговоренные сроки и европейского качества.
Опис основи опори, прикрученої до бетону
Основа стовпа PSPD 120 мм, товщиною 2,5 мм
- Основа, розроблена спеціально для з’єднання дерев’яних стовпів квадратного перерізу з бетоном, відіграє ключову роль у забезпеченні не лише довговічності, але й естетики всієї конструкції.
- Завдяки монтажним отворам, розташованим поза межами основи, конструкція отримує додаткову стійкість, яка означає довговічність і безпеку використання. Однак глибоко вирізані сторони основи створюють унікальну можливість повністю розкрити природну красу деревини, підкреслюючи її текстуру та характер.
- Це поєднання функціональності та естетики робить цю основу не лише міцним структурним елементом, але й візуально привабливим доповненням до всього дизайну.
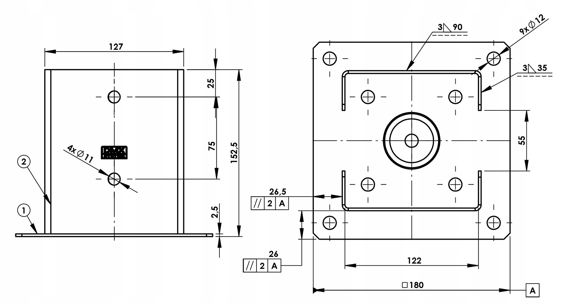
Розміри
- Ширина основи - 180 мм.
- Висота основи - 152 мм.
- Внутрішня ширина: 122 мм.
- 9 нижніх отворів - 12 мм.
- 4 отвори для стовпів - 11 мм.
- Товщина листа 2,5 мм
Технічне креслення
ТЕХНІЧНА ДОКУМЕНТАЦІЯ:
- Європейський технічний сертифікат
- Декларація продуктивності
- Сертифікат відповідності заводського контролю виробництва
Ми прагнемо забезпечити нашим клієнтам повну безпеку та продукцію, адаптовану до конкретних застосувань
