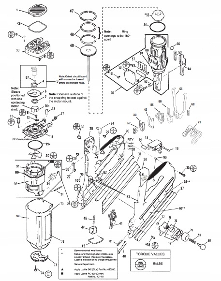
PASLODE НАКОНЕЧНИК ГАЗОВА РОЗЕТКА IM350 RAWLPLUG SENCO BPRO
Код: 15225836861
633 грн
                        Ціна вказана з доставкою в Україну
                    Товар є в наявності
                                            ЯК ЕКОНОМИТИ НА ДОСТАВКЕ?
                        Замовляйте велику кількість товарів у цього продавця
                                                    
                                            Інформація
                        - Час доставки: 7-10 днів
- Стан товару: новий
- Доступна кількість: 193
Просматривая «PASLODE НАКОНЕЧНИК ГАЗОВА РОЗЕТКА IM350 RAWLPLUG SENCO BPRO», вы можете быть уверены, что данный товар из каталога «Гвоздодеры» будет доставлен из Польши и проверен на целостность. В цене товара, указанной на сайте, учтена доставка из Польши. Внимание!!! Товары для Евросоюза, согласно законодательству стран Евросоюза, могут отличаться упаковкой или наполнением.
