Передній міст Makita до газонокосарки BLM430 165668-0
- Час доставки: 7-10 днів
- Стан товару: новий
- Доступна кількість: 2
Просматривая «Передний мост Makita для газонокосилки BLM430 165668-0» данное изделие из «Щиты» вы можете быть уверены, что после оформления заказа, доставки в Украину, вы получите именно то, что заказывали, в оговоренные сроки и европейского качества.
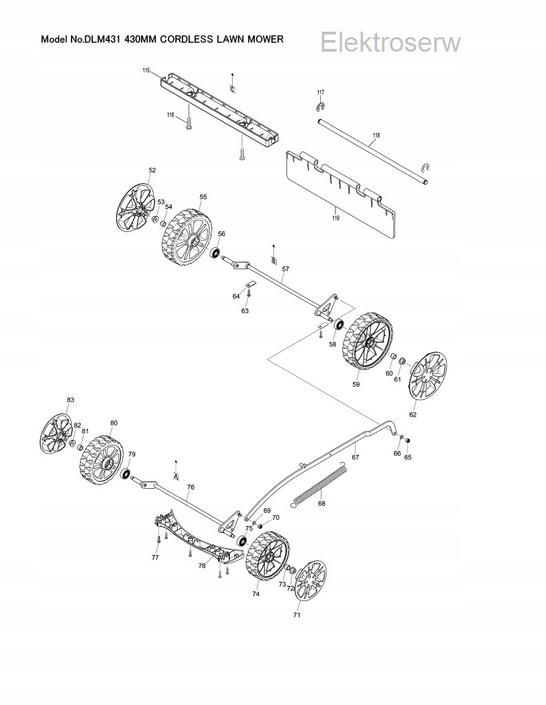
* Передня вісь Makita для акумуляторної газонокосарки LM430
новий оригінальний
загальна довжина: 42,5 см
( ПЕРЕДНИЙ ВАЛ / 430 ММ АКУМУЛЯТОРНА ГАЗОНОКОСАРКА )
- Виробник: Makita
- Виробник код: 165668-0 / 162C68-3
- Позиція на схемі: №. 76 - DLM431
Застосування
акумуляторна газонокосарка:
- LM430D
- BLM430
- DLM431
- DLM432
Список деталей DLM431
позиція на схемі, каталожний номер, опис товару, кількість:
001; 273675-0 Ручка A; 1
002; 266459-3 саморіз 5X25 з товстою головкою; 2
003; 453250-0 Важіль блокування; 1
004; 453251-8 ОПОРА ВАЖЕЛЯ БЛОКУВАННЯ; 1
005; 233173-6 Пружина стиснення 4; 1
006-1; 144076-8 ЗАДНЯ КЛЮКА В КОМПЛЕКТІ; 1
C10; 890375-3 Попереджувальна етикетка; 1
007-1; LC961018-5 ЗУПОРНЕ КІЛЬЦЕ (ЗОВНІШНЄ) E-5; 1
008-1; LC256871-5 ШТОК 6; 1
009-1; LC233597-6 ТОРСІОННА ПРУЖИНА 8; 1
010-1; LC961018-5 ЗУПОРНЕ КІЛЬЦЕ (ЗОВНІШНЄ) E-5; 1
011; 266326-2 Саморіз 4X18 з товстою головкою; 2
012; 266326-2 Саморіз 4X18 з товстою головкою; 4
013-1; 456347-4 Кришка M; 1
014; 851P60-9 Паспортна табличка DLM431; 1
015; 143506-6 Набір кришки батареї E; 1
C10; 890380-0 Попереджувальна етикетка; 1
016; 266326-2 Саморіз 4X18 з товстою головкою; 3
017; 187926-4 Корпус терміналу; 1
C10; 263005-3 Паличка гумова 6; 4
018; 644808-8 Затискач; 2
019; 187926-4 Корпус терміналу; 1
C10; 263005-3 Паличка гумова 6; 4
020; 890383-4 етикетка з логотипом Makita; 1
021-1; LC453258-4 КАПОТ; 1
023-1; 265672-0 Гвинт з круглою головкою M6X35 WR; 3
024-1; 629434-4 МОТОР ПОСТІЙНОГО струму; 1
025; 620479-5 Контролер; 1
026; 265999-8 Самонарізний гвинт з круглою головкою PT 4X25; 2
027; 687149-9 ЗАЩИТА НАТЯЖЕННЯ; 1
028; 643890-4 Клин; 1
029; 266326-2 Саморіз 4X18 з товстою головкою; 2
030; 632F82-6 Кабельний модуль; 1
031; 688131-1 ЛІНІЙНИЙ ФІЛЬТР; 1
032; 688140-0 ЛІНІЙНИЙ ФІЛЬТР; 2
033; 688164-6 ЛІНІЙНИЙ ФІЛЬТР; 2
034-1; 459533-6 ПАЛУДА; 1
035; 453239-8 Нижня кришка; 1
036; 266326-2 Саморіз 4X18 з товстою головкою; 3
037; 224444-2 Внутрішній фланець 40; 1
038-2; 197761-2 Набір лез 430; 1
039; 224445-0 Зовнішній фланець 40; 1
040; 266731-3 Фланцевий болт з шестигранною головкою M10X25; 1
041-1; LC921352-5 ШЕСТИГР. БОЛТ M6X30; 1
042-1; LC257670A8 ВТУЛКА 6; 1
043; 453255-0 Регулювальна пластина; 1
044; 266326-2 Саморіз 4X18 з товстою головкою; 2
045; 931302-2 ШЕСТИГРАННИЙ. ГАЙКА М6; 1
046; 266326-2 Саморіз 4X18 з товстою головкою; 1
047-1; LC267102A7 ПЛОСКА ШАЙБА 4; 1
048-1; LC231297-2 ПРУЖИНА СТИСКУ 9; 1
049-1; LC253808A3 ПЛОСКА ШАЙБА 9; 1
050-1; 459099-6 ВАЖІЛЬ ЗМІНИ; 1
053-1; LC252145-2 ШЕСТИГР. ГАЙКА М8; 1
055-1; 459101-5 ЗАДНЕ КОЛЕСО; 1
056-1; LC210070-3 ПІДШИПНИК 6200ZZ; 1
057; 165669-8 ЗАДНІЙ ВАЛ; 1
058-1; LC210070-3 ПІДШИПНИК 6200ZZ; 1
059-1; 459101-5 ЗАДНЕ КОЛЕСО; 1
061-1; LC252145-2 ШЕСТИГР. ГАЙКА М8; 1
063; 266326-2 Саморіз 4X18 з товстою головкою; 2
064-1; LC346545-7 ПЛАСТИНА;
розташування 16
