Перемикач передач вентиляційні отвори P2-10 новий
- Час доставки: 7-10 днів
 - Стан товару: новий
 - Доступна кількість: 4
 
Просматривая «Переключатель передач вентиляционные отверстия P2-10 новый», вы можете быть уверены, что данный товар из каталога «Регуляторы оборотов» будет доставлен из Польши и проверен на целостность. В цене товара, указанной на сайте, учтена доставка из Польши. Внимание!!! Товары для Евросоюза, согласно законодательству стран Евросоюза, могут отличаться упаковкой или наполнением.
ПЕРЕДАЧА - ПЕРЕМИКАЧ ШВИДКІСТЕЙ - ДВОШВИДКІСТЬ ВЕНТИЛЯТОР
ВЕНТС П2-10 Вбудована впритул
ОСНОВНІ ХАРАКТЕРИСТИКИ:
- РОБОТА ЯК ПЕРЕМИКАЧ
 - МАКС. ПОТОЧНЕ НАВАНТАЖЕННЯ - 10 A
 - ВІДОМИЙ ВИРОБНИК - VENTS
 - ТЕРМІН ЕКСПЛУАТАЦІЇ - 1 000 000 ПЕРЕКЛЮЧАНЬ< /li>
 - ВИСОКА ЯКІСТЬ - АБС-ПВХ КОРПУС
 - ВСТАНОВЛЕННЯ ЗА СТАНДАРТНОЮ КОРОБКОЮ НА ДІМОВОДУ
 - ЛЕГКА ЕКСПЛУАТАЦІЯ ТА ВСТАНОВЛЕННЯ
 
ОПИС
Перемикач (швидкість) двошвидкісного вентилятора П2-10 використовується для його включення та виключення (ON/OFF) і перемикання між двома швидкостями вентилятора чи іншого 2-швидкісного пристрою. Ідеально працює з вентиляторами Вентс ТТ, ТТ ПРО, ТТ Сайлент-М і вентиляторами інших виробників.
КОНСТРУКЦІЯ
Корпус Він виготовлений з ударостійкого матеріалу ABS, стійкого до УФ-променів, бруду та подряпин. Містить дві кнопки перемикання:
- ON/OFF
 - 1/2 (1-ша швидкість/2-га швидкість).
 
Це можливо для вмикання та керування вентилятором разом з освітленням у приміщенні.
МОНТАЖ
Вимикач призначений для внутрішньої установки всередині прихованого монтажу. коробка, до якої він кріпиться за допомогою шурупів або за допомогою монтажних кронштейнів (розподільна коробка та кріплення в комплект не входять).
Регулятор призначений для настінного монтажу як регулятор прихованого монтажу. .
РОЗМІРИ [мм]
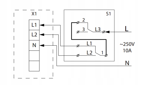
СХЕМА ЕЛЕКТРИЧНОГО ПІДКЛЮЧЕННЯ
- X1 - КЛЕМИ ВЕНТИЛЯТОРА
 - S1 - КЛЕМИ ПЕРЕМИКАЧА P2-10
 - L - НАПРУГА
 - N - НУЛЬ (НЕЙТРАЛЬ)
 
