Переповнений VBCD 3/8 DE-A Замок гідравлічний клапан
Код: 13116215536
3697 грн
Ціна вказана з доставкою в Україну
Товар є в наявності
ЯК ЕКОНОМИТИ НА ДОСТАВКЕ?
Замовляйте велику кількість товарів у цього продавця
Інформація
- Час доставки: 7-10 днів
- Стан товару: новий
- Доступна кількість: 174
Просматривая «Overcender VBCD 3/8 De-A Замок Гидравлический клапан», вы можете быть уверены, что данный товар из каталога «Гидравлическая система» будет доставлен из Польши и проверен на целостность. В цене товара, указанной на сайте, учтена доставка из Польши. Внимание!!! Товары для Евросоюза, согласно законодательству стран Евросоюза, могут отличаться упаковкой или наполнением.
перевантаження - назад - гальмівний клапан
код Schure-Meter: [1560]
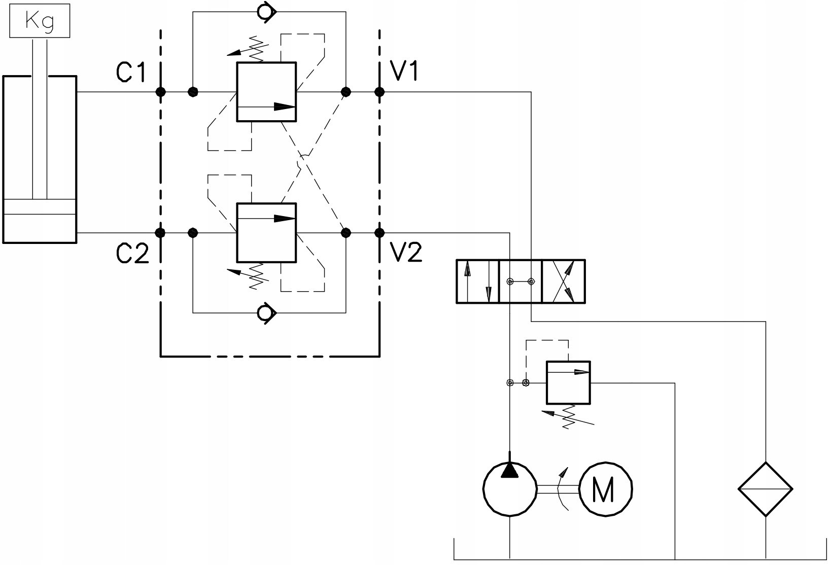
Тимбанінг-клапан Маневр. Лінія живлення і C1 і C2 до приймача . V1 або V2 впливає на тиск.
Технічна специфікація:
Тип: SBV-D-06
З'єднання з рейтингом: dn8
BSP ( C1, C2, V1, V2 ): g3/8 "
Потік ( Q ): 40 л/хвЧастка тиску контролю: 1: 4.25
макси. +50 ° C
Матеріал: оцинкована сталь
