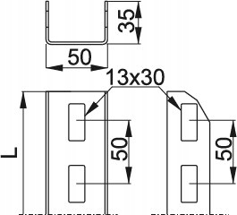
Перетин каналу CC50H35/1.3NMC Baks
Код: 14895175023
1036 грн
Ціна вказана з доставкою в Україну
Товар є в наявності
ЯК ЕКОНОМИТИ НА ДОСТАВКЕ?
Замовляйте велику кількість товарів у цього продавця
Інформація
- Час доставки: 7-10 днів
- Стан товару: новий
- Доступна кількість: 26
Приобретая «Секция швеллера CC50H35/1.3NMC Бакс» данный товар из каталога «Солнечные коллекторы и фотоэлектрические панели» вы можете быть уверены, что после оформления заказа, доставки в Украину, вы получите именно то, что заказывали, в оговоренные сроки и европейского качества.
Кесарів розріз CC50H35/1,3NMC
C-подібний переріз CC50H35/1.3NMC 895413 - опис
ЗАСТОСУВАННЯ
Створення трикутних конструкцій для плоских дахів.
МАТЕРІАЛ
Сталь S350GD з покриттям Magnelis
Переваги:
- виготовлено з матеріалу з покриттям Magnelis з дуже високою стійкістю до корозії,
- швидке створення трикутної конструкції на плоских дахах,
Для монтажу використовуйте:
- гвинти SGKFM10x20PV
