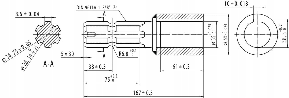
Переведення карданного вала на клин внутрішній 35 клин 10мм
Код: 13723139532
2384 грн
Ціна вказана з доставкою в Україну
Товар є в наявності
ЯК ЕКОНОМИТИ НА ДОСТАВКЕ?
Замовляйте велику кількість товарів у цього продавця
Інформація
- Час доставки: 7-10 днів
- Стан товару: новий
- Доступна кількість: 23
Покупая «Переведення карданного вала на клин внутрішній 35 клин 10мм» данный товар из каталога «Трансмиссия» вы можете быть уверены, что после оформления заказа, доставки в Украину, вы получите именно то, что заказывали, в оговоренные сроки и европейского качества.
Тема оголошення:
4Макс.: 30 кВт
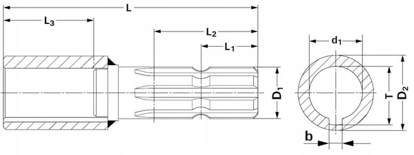
Діамплектування тексту проривається зі сторінки 1: 1-3/8 дюйма
Кількість різців для з'єднання № 1: 6
Загальна довжина: 165 мм
Монтажний діаметр: 35 мм
Зовнішній діаметр: 55 мм
Ширина/клин: 10 мм
Матеріал: сталь S355
Примітка: для використання лише з боку машини.
Можна доставити кур'єром при доставці.
Ми доступні з понеділка по суботу!
sku:
