Plomby plastikowe NOTOX nie ołowiane 1000 szt.
- Час доставки: 7-10 днів
- Стан товару: новий
- Доступна кількість: 9884
Оплачивая «Plomby plastikowe NOTOX nie ołowiane 1000 szt.», вы можете быть уверены, что данное изделие из каталога «Счетчики воды и счетчики» будет доставлено из Польши и проверено на целостность. В цене товара, указанной на сайте, учтена доставка из Польши. Внимание!!! Товары для Евросоюза, согласно законодательству стран Евросоюза, могут отличаться упаковкой или наполнением.
Пломби захисні пластикові Notox
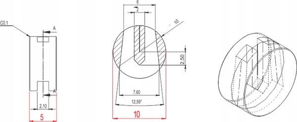
Кількість - 1000 шт
Діаметр - 10 мм
Товщина - 5 мм
Доступні кольори - жовтий, синій, червоний
Високоякісні пластикові пломби Notox виготовлені з ABS, матеріалу середньої твердості з параметрами, близькими до свинцю. Завдяки своїй конструкції вони ідеально підходять для кріплення різних типів лічильників електроенергії та води, вентилів і паливних баків. Завдяки тому, що він є замінником свинцевих пломб, сфера їх використання значно розширюється і практично не обмежується.
Завдяки заміні свинцю придбати ці пломби набагато дешевше, і їх можна використовувати з дротом, ниткою або шнуром для пломби, довжина якого залежить від потреб.
Пломбування включає вставлення мотузки в отвори пломби та затягування її інструментом для пломбування.
Наші клієнти використовують їх, зокрема, для:
- метрів
p>- кріплення дверей і шаф
- автомобільний транспорт
Пломби Notox безпечні для людей і навколишнього середовища та не потребують спеціальних процедур утилізації, як у випадку зі свинцевими пломбами.
Пломби NOTOX упаковані в набори по 1000 штук і доступні в таких кольорах: червоний, жовтий, синій
ДЛЯ УПЛОТНЕНЬ NOTOX МИ РЕКОМЕНДУЄМО СТАЛЕВИЙ ПЛІТЕНИЦЯ ПЛОЩУМУВАЛЬНИЙ ДРІТ 100 ТА 600 МЕТРІВ НА ІНШИХ НАШИХ АУКЦІОНАХ:
