ПОДВІЙНИЙ ВЕРХЦЕНТРНИЙ ГІДРАВЛІЧНИЙ КЛАПАН VBCD 3/8" DE-A 40л/хв. 350бар
- Час доставки: 7-10 днів
- Стан товару: новий
- Доступна кількість: 269
Просматривая «ДВОЙНОЙ ГИДРАВЛИЧЕСКИЙ КЛАПАН VBCD 3/8" DE-A 40л/мин 350бар» данный товар из каталога «Гидравлические клапаны» вы можете быть уверены, что после оформления заказа, доставки в Украину, вы получите именно то, что заказывали, в оговоренные сроки и европейского качества.
ГІДРАВЛІЧНИЙ НАДЦЕНТРНИЙ КЛАПАН
"LOCK" VBCD 3/8" DE-A
ДЛЯ ЦИЛІНДРА ДВОЇ ДІЇ
Виробництво:
Оригінальний італійський продукт бренду Oleodinamica Marchesini, символ: VBCD 3/8" DE-A; 1.35.18.110
Застосування:
Він широко використовується в гідравлічних системах у сільському господарстві, садівництві, лісництві, будівництві та промисловості загалом.
Принцип дії:
Клапан "верхнього центру" є комбінацією типового блокування приводу (VBPSE) з переливним клапаном (ВМП). Використовується для блокування руху штока поршня приводу в обох напрямках. Рух приводу в зворотному напрямку не забезпечено. Він забезпечує стабілізацію положення поршневого штока, коли ми не керуємо розподільником і на привід діють великі сили.
Замок клапана припиняє працювати, коли ми починаємо керувати гідравлічним розподільником або коли сили, що діють на привід, занадто високі та, як наслідок, тиск, встановлений на клапані.
Клапан можна використовувати як гальмо та блокувати обертання гідравлічний двигун. Коли ми перестаємо керувати двигуном, клапан, не наражаючи двигун і розподільник на пошкодження, поступово загальмує двигун, а потім захистить його від вільного обертання. Клапан здатний гальмувати та забезпечувати лише один напрямок обертання.
Підключення:
Підключіть V1 і V2 до ліній електропередач, напр. секції в гідророзподільнику. Підключіть C1 і C2 до приймача, напр. привод подвійної дії.
Потік від V1 до C1 і від V2 до C2 повністю блокується, якщо на V1 і V2 немає тиску. Потік від V1 до C1 і від V2 до C2 відкривається, коли тиск прикладається до V1 або V2.
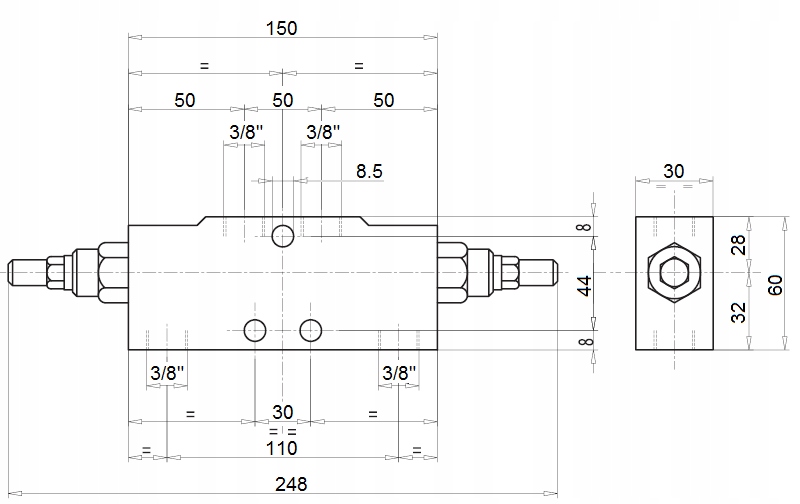
Технічні дані:
Максимальний потік: 40 л/хв. Кількість гідравлічних отворів у корпусі: 4 Внутрішня різьба в корпусі: 3/8'' [BSP] Матеріал корпусу: оцинкована сталь Максимально допустимий тиск: 350 бар Стандартний клапан налаштування переливних клапанів: 320 бар Вага: 1,944 кг
Діапазон температур і тип масла:
Допустима температура навколишнього середовища: від -40 C до +60 C Допустима температура масла: від -15 C до +80 C Тип масла: Гідравлічне масло на основі мінерального масла
Гідравлічна схема клапана VBCD DE-A (фото):
