ПОЛІУРЕТАНОВА МУФТА КОСАРКИ
- Час доставки: 7-10 днів
- Стан товару: новий
- Доступна кількість: 22
Оплачивая «ПОЛИУРЕТАНОВАЯ МУФТА КОСИЛКИ», вы можете быть уверены, что данный товар из каталога «Опоры полуосей» будет доставлен из Польши и проверен на целостность. В цене товара, указанной на сайте, учтена доставка из Польши. Внимание!!! Товары для Евросоюза, согласно законодательству стран Евросоюза, могут отличаться упаковкой или наполнением.
TEDGUM 00786408
КОСАРКА - ПОЛІУРЕТАНОВА МУФТА
Група матеріалів: Клеєні метало-поліуретанові елементи
Одиниця вимірювання: шт
ОЕ номери:
Замінники:
МАШИНИ-ПРИЧЕПИ-ПИЛИ 635631
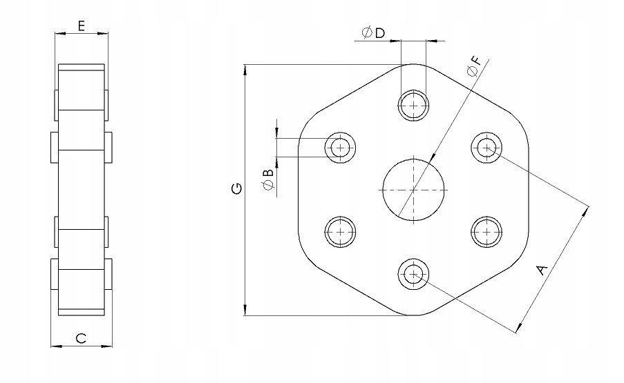
Розміри:
A - 43, B - 8, C - 12, D - 8, E - 12, F - 19, G - 75
Підходить:
Компанія TEDGUM® є одним з провідних виробників опор двигуна, втулок поперечних важіль, гум стабілізаторів, опор карданів і зчеплень, бамперів амортизаторів та інших гумових і метало-гумових виробів на автомобільному ринку. Запчастини заводів Tedgum призначені для автомобілів більшості марок. У нашій пропозиції також є поліуретанові елементи, які є чудовою альтернативою для бездоріжжя та автоспорту.
