Попередньо ізольовані труби Quattro 2x32 + 2x32 UPONOR
- Час доставки: 7-10 днів
- Стан товару: новий
- Доступна кількість: 1
Оплачивая «Попередньо ізольовані труби Quattro 2x32 + 2x32 UPONOR» данный товар из каталога «Трубы PEX», вы можете получить дополнительную скидку 4%, если произведете 100% предоплату. Размер скидки вы можете увидеть сразу при оформлении заказа на сайте. Внимание!!! Скидка распространяется только при заказе через сайт.
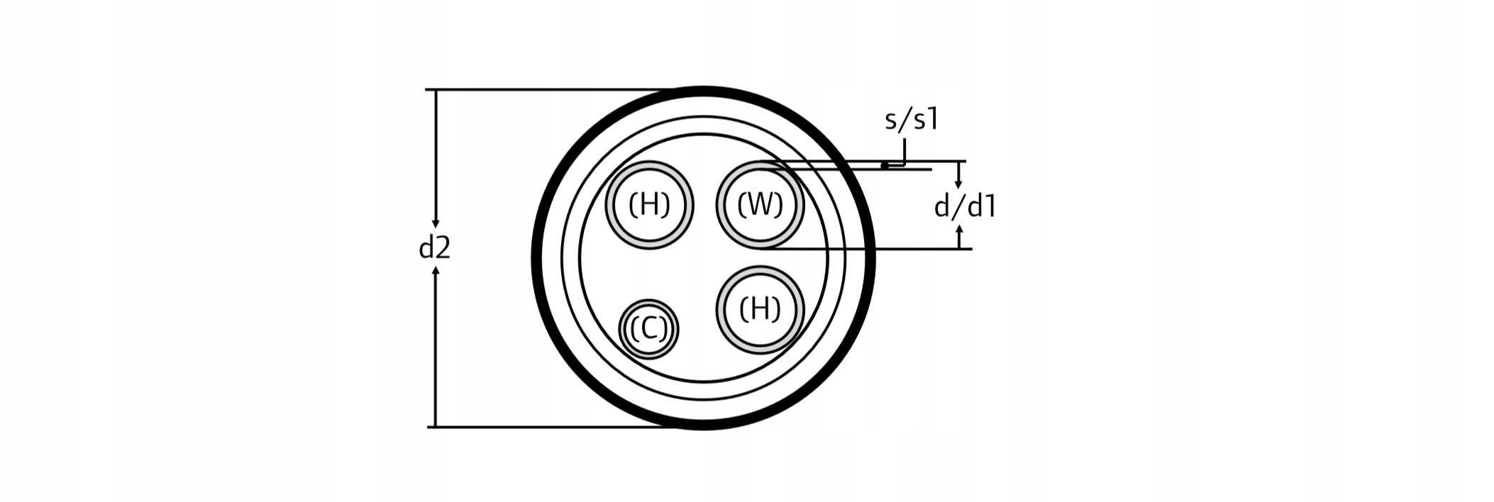
Четверна попередньо ізольована труба Uponor
Ecoflex Quattro 2x32x2,9 2x32x4,4/175
Ціна за 1 метр. Можливість підготувати пропозицію Allegro для будь-якого перерізу труби. Ми рекомендуємо вам поставити запитання через форму Allegro, щоб безкоштовно вибрати трубу з відповідними параметрами для ваших інвестицій.
Uponor виробник попереднього -insulated systems доводить свою надійність, інноваційність, а також гнучкість асортименту продукції та низькі експлуатаційні витрати своїх систем. Властивості матеріалів, які використовуються у виробах Uponor, забезпечують тривалий термін служби. Труби також легкі та дуже гнучкі, тому їх можна прокладати швидко та легко, і вони дозволяють уникнути перешкод (радіус вигину дозволяє створювати дуги).
Продукція Uponor має 10- річна гарантія
b> (крім механічних та електричних компонентів, на які поширюється 2-річна гарантія) і застраховані на суму 1 000 00 євро.
Опис
Самокомпенсаційні попередньо ізольовані труби Ecoflex Quattro призначені для транспортування теплоносія та гарячої води від місця виробництва до місця отримання . Труби можуть пропускати середовище за максимальної постійної робочої температури 95 градусів C і розрахункового тиску 6 і 10 бар.
Труби виготовляються в діапазоні діаметрів труб труби від DN 20 до DN 100 мм (Dz 25 до Dz 110) на ділянках довжиною до 100-200 м.
1. Захисна труба PE-80: ударостійка, міцна та гнучка завдяки технології гофрованих захисних труб Uponor Ecoflex.
2. Утеплювач зі спіненого поліетилену: найкращі теплоізоляційні властивості, компенсація теплового розширення труб, стійкість до промокання та висока гнучкість (кількість шарів залежить від призначення та типу труби).
3. Кольорова центральна ізоляційна частина «Dog Bone», яка ефективно запобігає плутанню труб під час з’єднання.
4. Робоча труба з PE-X1: стійка до високої температури, а також до осколків і тріщин, викликаних напругою.
Загальні правила прокладки гнучких попередньо ізольованих труб.
Гнучкі труби призначені для пряме укладання в грунт на баласт і пісок. Розміри засипки і засипки, а також грануляція піску повинні відповідати чинній «Інструкції з виконання та приймання» підземних попередньо ізольованих мереж. Через властивості матеріалів, що використовуються, мережа, як правило, проектується і будується як некомпенсаційна. Немає вимоги робити природні вигини для компенсації теплових розширень прямих ділянок мережі або використовувати компенсаційні пристрої, такі як сильфонні компенсатори. Мінімальні радіуси вигину для всього діапазону діаметрів коливаються від 0,8 до 1,4 м в залежності від діаметра підвідної труби.
Технічні дані
Рішення для інсталяторів
Ми одні з перших запропонували вам швидкий і простий метод монтажу на основі сучасної самоусадочної системи з’єднання Uponor Quick & Easy для діаметрів до 75 мм. Набір Q&E складається з конектора із зовнішнім різьбленням і компресійного кільця. Монтаж здійснюється за допомогою Expander - пристрою, який обтискає з'єднувачі Q&E на кінцях підвідних труб гнучких попередньо ізольованих систем. Завдяки цьому рішенню установка роз’ємів займає лічені секунди, а самі компоненти системи Q&E коштують дешевше стандартних адаптерів. Для наших клієнтів ми підготували унікальну пропозицію оренди професійного еспандера на вигідних умовах.
Інша інформація
- пропозиція розповсюджується на 1 метр четверної труби 2х32 + 2х32
- експрес підготовка окремої аукціон на необхідну кількість метрів
- допомога у виборі потрібного розміру труби (труби інших діаметрів також доступні на інших аукціонах)
- опціонально можливість придбання системних з’єднувачів
- можливість доставки товарів за іншою адресою, відмінною від адреси компанії
