Посібник з тролейбусних наборів профілю VSLOT
- Час доставки: 7-10 днів
- Стан товару: новий
- Доступна кількість: 8
Просматривая «НАПРАВЛЯЮЩАЯ НА ТЕЛЕЖКЕ ДЛЯ НАБОРА ПРОФИЛЕЙ VSLOT», вы можете быть уверены, что данный товар из каталога «Части» будет доставлен из Польши и проверен на целостность. В цене товара, указанной на сайте, учтена доставка из Польши. Внимание!!! Товары для Евросоюза, согласно законодательству стран Евросоюза, могут отличаться упаковкой или наполнением.
ПОВНИЙ ВІЗОК ДЛЯ ЛІНІЙНИХ НАПРАВЛЯЮЧИХ ПРОФІЛІВ VSLOT C-BEAM
Точно виготовлена безлюфтова каретка з можливістю додаткового усунення люфту за допомогою ексцентричних гайок (у комплекті).
Набір включає:
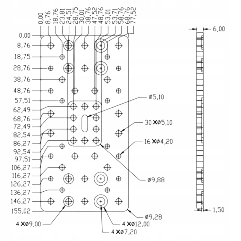
- Пластина 155х75мм - 1 шт.
- Міні-ролик (набір з ексцентриком) - 4 шт.
- Міні-ролик (набір з прокладкою) - 4 шт.
- li>Гайка для трапецієподібного гвинта (8x8 або 8x2 на вибір - пишіть в коментарі :)
Розміри плитки:
- довжина 155 мм
- ширина 75 мм
- товщина 6 мм
Ця подвійна широка портальна плита C-Beam розроблена, щоб забезпечити більш міцну та стабільну платформу для ваших конструкцій.
Дуже широка колія та можливість додати до 8 коліс Mini V гарантують, що ця дошка буде достатньо міцною для більшості застосувань.
Спеціально розроблено, щоб забезпечити набагато міцнішу систему осей X, Y і Z
гладка, чиста обробка з колесами, що рухаються на внутрішніх канавках профілів С.
його можна використовувати з усіма доступними аксесуарами VSlot C-Beam, включаючи S-Beam Shield.
- Міцна пластина Алюміній 6061-T5
- Блискучий, Чорний анодований
- Неправильні кишені увімкнено Гвинти вони забезпечують заглиблену збірку -без виступаючих болтів
- містять попередньо проведені отвори кріплення для панелей ерекції c -біам
- Регульований середній отвір дозволяє конфігурацію з циліндром ременя та трапецієподібними гвинтами
Завдяки колясці ви можете легко побудувати точний посібник з лінійки. він використовується, серед інших:
4ми бажаємо вам лише успішних проектів :)
гарантія успішної покупки та 100% безпеки кожної транзакції :)
