ПОТЕНЦІОМЕТР ALPS RK271 STEREO LOG 100KAX2 CONTOUR
- Час доставки: 7-10 днів
- Стан товару: новий
- Доступна кількість: 34
Просматривая «ПОТЕНЦІОМЕТР ALPS RK271 STEREO LOG 100KAX2 CONTOUR», вы можете быть уверены, что данный товар из каталога «Потенциометры» будет доставлен из Польши и проверен на целостность. В цене товара, указанной на сайте, учтена доставка из Польши. Внимание!!! Товары для Евросоюза, согласно законодательству стран Евросоюза, могут отличаться упаковкой или наполнением.
КОНТУРНИЙ ПОТЕНЦІОМЕТР ALPS RK271 STEREO LOG 100KAX2
Високоякісний стереопотенціометр.
Характеристики - логарифмічний
(зазвичай використовується для регулювання гучності на пристроях аудіо)
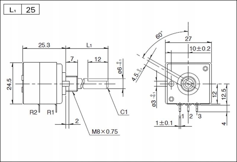
Діаметр осі - 6мм
Довжина осі - 25мм
Довжина різьби осі - 7мм
Тип осі - рифлені
Потенціометр має 4 контакти на канал. 4 пін є пін контур (регулятор гучності), який використовується для посилення низьких і високих частот частоти на низькій гучності. Опір між контактом заземлення та контурний штифт становить приблизно 14,7 кОм незалежно від положення осі.
Довжина осі визначається як довжина разом із ниткою. На кресленні це розмір, позначений L1.
3 цифри в коді на кожному потенціометри вказують дату виробництва.
Перша цифра є останньою цифра року виробництва, а дві інші - на якому тижні вона була залишена виготовлений потенціометр (наприклад, 020: 20 тиждень 2020 року).
Покупкою потенціометр з нашої пропозиції, ви можете бути впевнені, що отримаєте потенціометр з з позначенням дати виготовлення як на фото або, можливо, новішої.
Посилання на веб-сайт виробника з додатковими розмірами та параметри:
https://tech.alpsalpine.com/e/products/detail/RK271111001T/
Двоканальний (стерео) потенціометр з логарифмічними характеристиками, який зазвичай використовується для регулювання гучності в аудіопристроях. Потенціометр з контурним краном.
Зараз продаються потенціометри серії "020G".
