ПРИХОВАНА РАМА УНІТАЗУ GEBERIT З БІЧНИМ ВИПУСКОМ
Код: 12246106933
26973 грн
Ціна вказана з доставкою в Україну
Товар є в наявності
ЯК ЕКОНОМИТИ НА ДОСТАВКЕ?
Замовляйте велику кількість товарів у цього продавця
Інформація
- Час доставки: 7-10 днів
- Стан товару: новий
- Доступна кількість: 1
Заказывая «ПРИХОВАНА РАМА УНІТАЗУ GEBERIT З БІЧНИМ ВИПУСКОМ» данный товар из каталога «Встраиваемые стеллажи», вы можете получить дополнительную скидку 4%, если произведете 100% предоплату. Размер скидки вы можете увидеть сразу при оформлении заказа на сайте. Внимание!!! Скидка распространяется только при заказе через сайт.
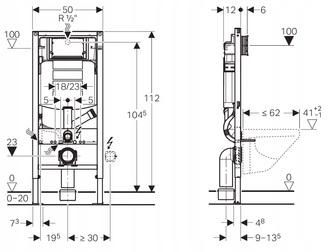
УНІТАЗІ GEBERIT УПЛИТНОГО ВСТАНОВЛЕННЯ З БІЧНИМ ВИКИСОМ
Характеристики продукту
- Бренд: Geberit
- Серія: Duofix
- Номер за каталогом: 111364005
- Висота: 112 см
- Тип: для підвісної чаші
- Конструкція: легка (для гіпсокартону)
- Код EAN: 4025416933960
ОПИС ПРОДУКТУ
- для встановлення в часткову стіну системи Duofix перед суцільною стіною або стіною з гіпсокартону
- для встановлення в стіну системи Duofix висотою кімнати
- для встановлення в ГІС-стіні часткової або висотою кімнати перед повною стіною або стіною з гіпсокартону
- для встановлення перед суцільною стіною або стіною з гіпсокартону
- для монтажу в часткову стіну або монтаж на висоту кімнати перед суцільною стіною або стіною з гіпсокартону
- для встановлення в гіпсокартонну стіну заввишки кімнати
- для монтажу на поверхні з товщиною шару підлоги 0 - 20 см
- для підвісної чаші з відстанню між отворами 18 або 23 см
- для монтажу на масивній стіні та облицюванні чи цеглі
- для підключення душового унітазу Geberit AquaClean
- для підключення зовнішньої системи витяжки забрудненого повітря
- не підходить для вбудовування в бетон
- підключення до води в центрі ззаду/вгорі
- Зливний бачок прихованого монтажу SIGMA (UP320) з активацією спереду
- подвійний змив із приводом Sigma01, Sigma20, Sigma30, Sigma50, Sigma60, Sigma70 або Sigma80
- однопотоковий змив за допомогою кнопки змиву Sigma10, Sigma30 1M, Mambo
- функція "стоп" із тригерною кнопкою Sigma10, Sigma30 1M, Mambo
- можливість встановити кількість промивної води
- З заводськими налаштуваннями повторне промивання можливе негайно
- прихований бачок для монтажу та обслуговування без інструментів
- захисний кожух для сервісного отвору для монтажу та укорочення без інструментів
- захисний корпус захищає сервісний отвір від вологи та бруду
- шумопоглинаючі штовхачі, швидке налаштування без інструментів
- універсальне підключення до води, підходить для системи MeplaFix, для установки та експлуатації без інструментів
- сполучний шланг із кутовим клапаном, який прикручується без інструментів
- встановлення дренажного коліна без інструментів, зі звукоізоляцією, регулювання глибини у 8 положеннях, діапазон регулювання 45 мм
- самофіксуючі ніжки для вирівнювання елемента без інструментів
- оцинковані ніжки, плавно регулюються від 0 до 20 см
- можливе використання для підвісного унітазу з невеликою контактною поверхнею після використання додаткових аксесуарів
- рама з отворами ø 9 мм для кріплення до дерев’яної стіни з опорою
- прихований бачок з ізоляцією проти роси
- самоокупність
- С профільна рама 4х4 см
- рама з порошковим покриттям, синій ультрамарин
- ніжки регулюються на 5 см
- обертова опорна пластина, для установки в профілі UW50 і UW75
- зовнішній всмоктувальний патрубок із з'єднувальним патрубком ∅ 50 мм з можливістю підключення вище промивного коліна
- можливість встановити кількість води, що змивається: 4 л для великого змиву та 2 л для малого змиву
Технічні дані:
- діапазон тиску потоку 0,1-10 бар
- максимальна робоча температура води 25°C
- діапазон налаштування для промивання невеликою кількістю води 34 л
- діапазон налаштувань для промивання великою кількістю води 4,
