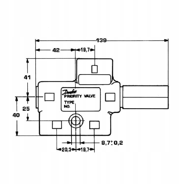
Пріоритетний клапан ols160 152b8111 Danfoss
Код: 17165525844
35135 грн
                        Ціна вказана з доставкою в Україну
                    Товар є в наявності
                                            ЯК ЕКОНОМИТИ НА ДОСТАВКЕ?
                        Замовляйте велику кількість товарів у цього продавця
                                                    
                                            Інформація
                        - Час доставки: 7-10 днів
- Стан товару: новий
- Доступна кількість: 10
Приобретая «ПРИОРИТЕТНЫЙ КЛАПАН OLS160 152B8111 Danfoss» данный товар из каталога «Гидравлическая система» вы можете быть уверены, что после оформления заказа, доставки в Украину, вы получите именно то, что заказывали, в оговоренные сроки и европейского качества.
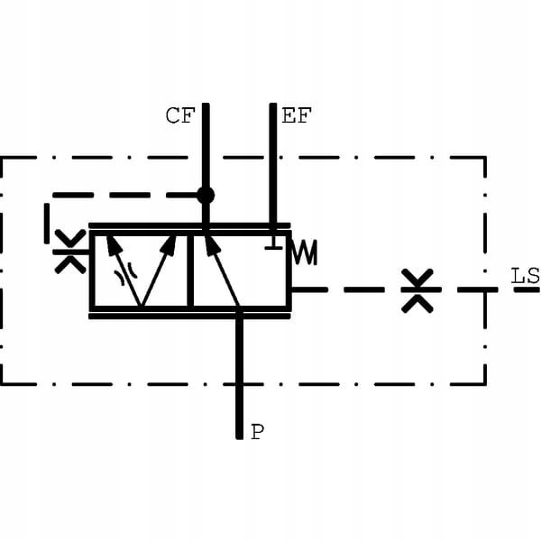
Пріоритетний клапан OLS160 152B8111 DANFOSS
Технічні характеристики: У системах з пріоритетними клапанами Sauer-Danfos. B>: у поєднанні з Sauer Danfoss TSPB LS, OSPC LS, OSPF LS, OSPD LS, OSPQ LS та OSPL LS
Властивості: Використовувані пріоритетні клапани Вони встановлені в лінії гідравліки. 4 >
Макс. /b>
- ols160 - це динамічна версія LS. .
