Прокладки компресора компресора 3JW60 ASPA
Код: 8465653901
1120 грн
Ціна вказана з доставкою в Україну
Товар є в наявності
ЯК ЕКОНОМИТИ НА ДОСТАВКЕ?
Замовляйте велику кількість товарів у цього продавця
Інформація
- Час доставки: 7-10 днів
- Стан товару: новий
- Доступна кількість: 427
Оплачивая «Прокладки компрессора компрессора 3JW60 ASPA», вы можете быть уверены, что данный товар из каталога «Остальные» будет доставлен из Польши и проверен на целостность. В цене товара, указанной на сайте, учтена доставка из Польши. Внимание!!! Товары для Евросоюза, согласно законодательству стран Евросоюза, могут отличаться упаковкой или наполнением.
Номер продукту: 904.210.00
Набір ущільнень повітряного компресора 3JW60
В набір входить:
- прокладка фланця двигуна - 1 шт.
- прокладка головки - 3 шт.
- прокладка випускного колектора - 3 шт.
- прокладка циліндра - 3 шт.
- прокладка фільтра-редуктора
- мідні шайби - 4 шт.
- сальник колінчастого валу - 1 шт. .
Прокладки в комплекті:
Прокладка фланця двигуна:
- діаметр центрального отвору - 131 мм
- діаметр отвору під болт - 10 мм
- відстань під болт - 117x117 мм< /li>
- товщина - 1,5 мм
- матеріал - TEMAC Temafast
Прокладка головки:
- внутрішній діаметр отвору - 63 мм
- діаметр отвору під болт - 7 мм
- відстань під гвинт - fi 105 мм< /li>
- товщина - 0,8 мм
- матеріал - TEMAC Temafast
Ущільнення циліндра:
- діаметр центрального отвору - 68 мм
- діаметр отворів для гвинтів - 7 мм
- відстань між отворами для гвинтів - 64х64 мм
- товщина - 0,8 мм
- матеріал - TEMAC Temafast
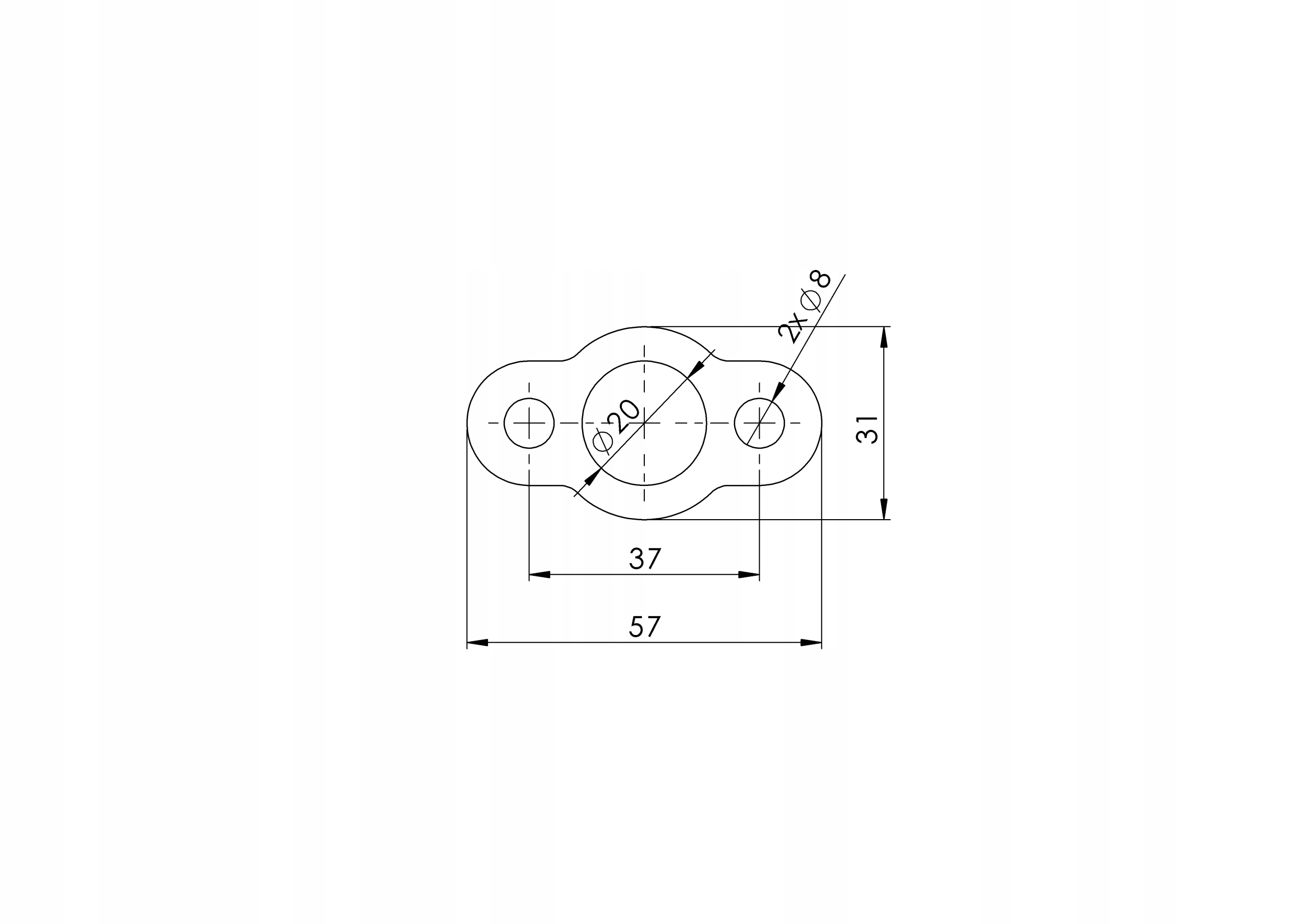
Прокладка випускного колектора:
- діаметр центрального отвору - 20 мм
- діаметр отворів для гвинтів - 8 мм
- відстань між отворами для гвинтів - 37 мм
- товщина - 1,0 мм
- матеріал - TEMAC Temafast
Ущільнення фільтра-редуктора:
- внутрішній діаметр - 146 мм
- зовнішній діаметр - 186 мм
- відстань між гвинтовими отворами - Ø146 мм< /li>
- товщина - 0,5 мм
- матеріал - TEMAC Temafast
