ПРОМИСЛОВИЙ РОБОТ ОБРОБНИЙ ЦЕНТР ТОКАРНИЙ СТАНОК З ЧПУ
- Час доставки: 7-10 днів
- Стан товару: новий
- Доступна кількість: 1
Просматривая «ПРОМЫШЛЕННЫЙ ОБРАБАТЫВАЮЩИЙ ЦЕНТР С ЧПУ» данный товар из каталога «Остальные», вы можете получить дополнительную скидку 4%, если произведете 100% предоплату. Размер скидки вы можете увидеть сразу при оформлении заказа на сайте. Внимание!!! Скидка распространяется только при заказе через сайт.
Промисловий робот
Промислові роботи використовуються у виробничих машинах, таких як токарні верстати з ЧПК або обробні центри.
Вони замінюють працівника, подаючи та приймаючи деталі з машини, особливо в тривалих серіали, де робота монотонна та виснажлива.
Завдяки використанню робота
- Промислові роботи не втомлюються, не хворіють і не беруть відпусток< /li>
- Зменшення виробничих витрат за рахунок підвищення швидкості та ефективності виробництва
- Робота в 3 зміни без збільшення додаткових витрат на робочу силу
- Усунення людських помилок (наприклад, втоми співробітників)
- Зростає конкурентоспроможність і престиж вашої компанії
- li>
- Можливість фінансування за рахунок грантів ЄС
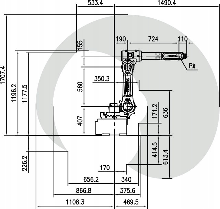
ТЕХНІЧНІ ПАРАМЕТРИ:
КІЛЬКІСТЬ ОСЕЙ: 6
СИСТЕМА ПРИВОДУ: Серводвигун змінного струму
МАКСИМАЛЬНЕ НАВАНТАЖЕННЯ: 8 кг
МАКСИМАЛЬНИЙ РАДІУС РУКИ: 1490 мм
ПОВТОРЮВАЛЬНІСТЬ ПОЗИЦІОНУВАННЯ: ± 0,05 мм
ДІАПАЗОН ПЕРЕМІЩЕННЯ ОСІ:
ВІСЬ J1: ±170º
ВІСЬ J2: + 120º~-85º
ВІСЬ J3: +85º~-150º
ВІСЬ J4: ±180º
ВІСЬ J5: ±135º
ВІСЬ J6: ±360º
НОМИНАЛЬНА ШВИДКІСТЬ:
ВІСЬ J1: 200º/с
ВІСЬ J2: 200º/с
ВІСЬ J3: b> 200º/с
ОСЬ J4: 400º/с
ОСЬ J5: 356º/с
ВІСЬ J6: 600º/с
ВАГА: 185 кг
Додаткове обладнання
- ГРЕЙБЛ-МАНІПУЛЯТОР
- ТЕХНОЛОГІЧНА ПІДГОТОВКА МАШИНИ ДО РОБОТИ
- ПРОГРАМНЕ ЗАБЕЗПЕЧЕННЯ SIEMENS
