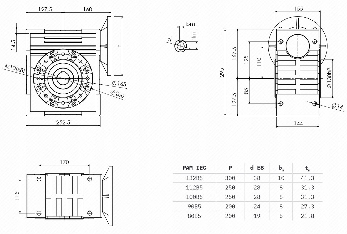
Промотор Reder Remer Reder PM110 PM 110 I = 20 1/20 90 B5
Код: 17536050123
22195 грн
Ціна вказана з доставкою в Україну
Товар є в наявності
ЯК ЕКОНОМИТИ НА ДОСТАВКЕ?
Замовляйте велику кількість товарів у цього продавця
Інформація
- Час доставки: 7-10 днів
- Стан товару: новий
- Доступна кількість: 10
Просматривая «Промоутер REDER REDER PM110 PM 110 PM 110 I = 20 1/20 90 B5» данный товар из каталога «Редукторы» вы можете быть уверены, что после оформления заказа, доставки в Украину, вы получите именно то, что заказывали, в оговоренные сроки и европейского качества.
