ПРОТИВАГА ОДИН ГІДРАВЛІЧНИЙ КЛАПАН VBCL 1/4" 30л/хв. 350бар
- Час доставки: 7-10 днів
- Стан товару: новий
- Доступна кількість: 269
Заказывая «ОДИНОЧНЫЙ ГИДРАВЛИЧЕСКИЙ КЛАПАН С ПРОТИВОБАВНОМ VBCL 1/4" 30л/мин 350бар» данное изделие из «Гидравлические клапаны» вы можете быть уверены, что после оформления заказа, доставки в Украину, вы получите именно то, что заказывали, в оговоренные сроки и европейского качества.
ГІДРАВЛІЧНИЙ КЛАПАН ПРОТИВАГИ
"LOCK" VBCL 1/4"
ДЛЯ ЦИЛІНДРА ДВОЇ ДІЇ
Виробництво:
Оригінальний продукт торгової марки Hydrolider, символ: 1.35.18.205
Застосування:
Широко використовується в гідравлічних системах у сільському господарстві, садівництві, лісовому господарстві, будівництві та промисловості загалом.
Принцип дії:
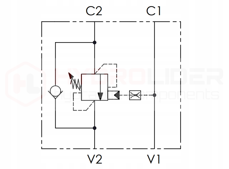
Клапан «противаги» є комбінацією типового приводного замка (VBPSE) з переливним клапаном (VMP). Використовується для блокування руху штока приводу в протилежному напрямку. Забезпечує стабілізацію положення штока поршня при перевищенні тиску, встановленого на приводі Клапан може бути використаний як гальмо і блокувати обертання гідравлічного двигуна. Рекомендовано для використання, коли клапани OVERCENTER не працюють належним чином, а потім захищають двигун від вільного обертання захистити лише один напрямок обертання.
Підключення:
Підключіть V1 і V2 до ліній електропередач, напр. секції в гідророзподільнику. Підключіть C1 і C2 до приймача, напр. привод подвійної дії.
Потік від V2 до C2 повністю блокується, якщо на V1 і V2 немає тиску. Потік від V2 до C2 відкривається під час застосування тиску до V1 або V2.
Технічні дані:
- Максимальний потік: 30 л/хв
- Кількість гідравлічних отворів у корпусі: 4
- Внутрішня різьба в корпусі: 1/4'' [BSP]
- Матеріал корпусу: оцинкований сталь
- Допустимий максимальний тиск: 350 бар. +80 C
- Тип масла: Масло гідравлічне на мінеральній основі
Гідравлічна схема клапана VBCL (фото):
