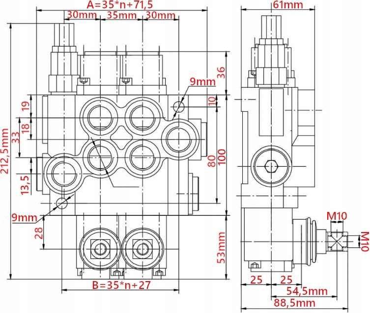
Район 40 л 1 сек + секунди плаваючі та засувки
- Час доставки: 7-10 днів
- Стан товару: новий
- Доступна кількість: 492
Оплачивая «Район 40 л 1 сек + секунды плавает и защелка», вы можете быть уверены, что данный товар из каталога «Погрузчики» будет доставлен из Польши и проверен на целостность. В цене товара, указанной на сайте, учтена доставка из Польши. Внимание!!! Товары для Евросоюза, согласно законодательству стран Евросоюза, могут отличаться упаковкой или наполнением.
Гідравлічний дистриб'ютор 1 Розділ 40L, що включає плаваючу секцію з засувкою в 1 напрямку (k16+8)
Код MET: [2426]
Виробник: SM-G (Sky Met Group)
Флораційна палата (Cushioning). Він характеризується компактною конструкцією, стабільною роботою та високою універсальністю.
дозволяє контролювати два двосторонні приводи або (після осліплення одного з портів) односторонні дії .
Можна підключити серію до існуючої системи (необхідний втулок тиску). Падок засувки ідеально підходить для машин та пристроїв, де немає необхідності тримати руку на важелі.
дистриб'ютор (висока якість) моноблок з паралельною системою з плаваючою камерою (подушка).
! Увага! У заданому колекторі розділ із засувкою знаходиться лише в одному розділі з плаваючою функцією
Застосування:
Дистриб'ютор ідеально підходить для гідравлічних машин та пристроїв.
можна використовувати в сільському господарстві, садах, лісовому господарстві чи будівництві. Як:
- Циклопи
- tury
- Навантажувачі
- Плуги
- Фокліфти та багато інших
Три важіль положення (1 - 0 - 2) із засувкою, що містить важелі у вибраному робочому положенні
- нейтральне положення (важель встановлюється вертикально) Поршень приводу - масло переходить до передачі.
- спереду) приходить поршень приводу. 1/2 ''
- return ( t ) bsp 1/2 ''
- Вихід у розділи bsp 3/8 ''
- з'єднання BSP 1/2 "
