RAM-111BU СТЕНД ДЛЯ ЕХОЗОНІВ І ПЛОТЕРІВ
- Час доставки: 7-10 днів
- Стан товару: новий
- Доступна кількість: 6
Заказывая «RAM-111BU СТЕНД ДЛЯ ЕХОЗОНІВ І ПЛОТЕРІВ» данный товар из каталога «Принадлежности», вы можете получить дополнительную скидку 4%, если произведете 100% предоплату. Размер скидки вы можете увидеть сразу при оформлении заказа на сайте. Внимание!!! Скидка распространяется только при заказе через сайт.
SELEKT Sopot, рекомендує:
Кріплення RAM RAM-111BU МОНТАЖНА БАЗА ДЛЯ ЕХОЗОЛОТІВ ТА GPS КАРТПЛОТТЕРІВ GARMIN, HUMMINBIRD, LOWRANCE & RAYMARINE
Код продукту : RAM-111BU
Польська дистрибуція кріплень RAM MOUNTS - тримачі та компоненти, на які поширюється довічна підтримка в Польщі.
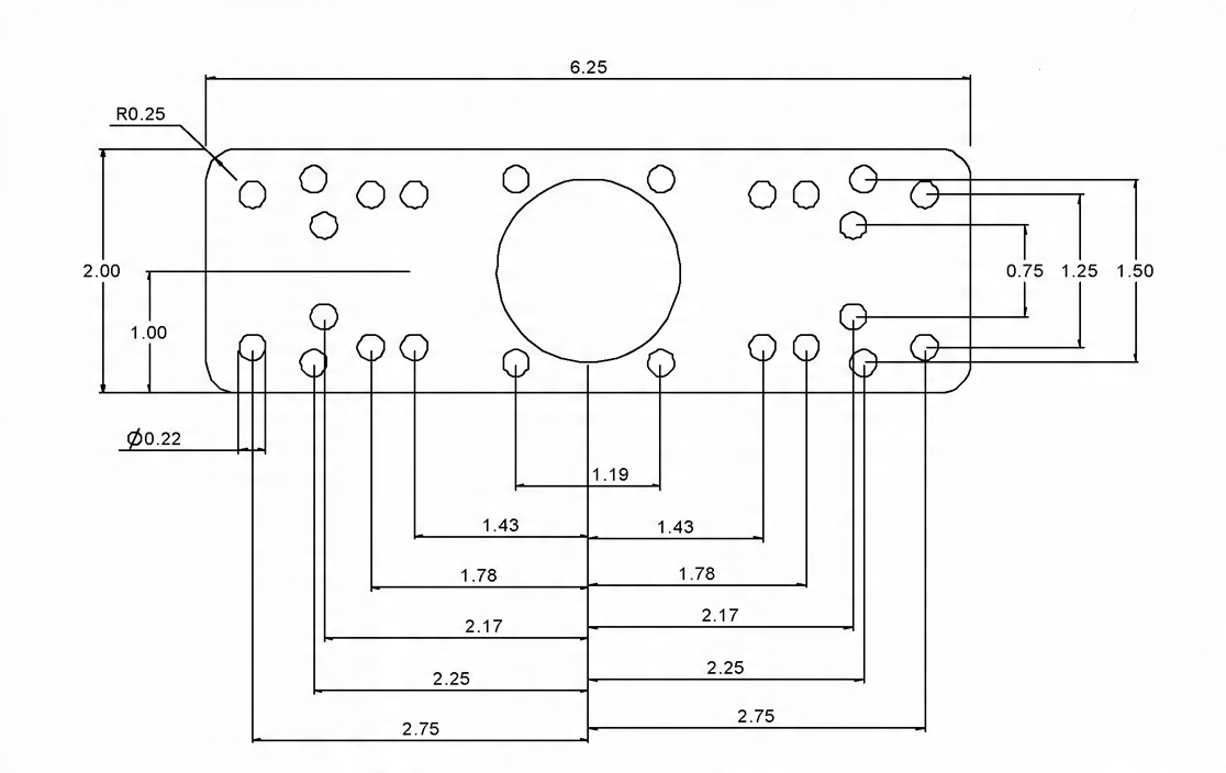
База кріплення RAM-111BU для GPS-ехолотів і картплоттерів Garmin, Humminbird, Lowrance та Raymarine з обертовою головкою 1,5 дюйма.
RAM-111BU складається з 1,5-дюймової поворотної головки, з’єднаної перпендикулярно з плоскою прямокутною основою розміром 6,25 x 2 дюйми. Плата містить різні комбінації попередньо просвердлених отворів, які підходять для різних електронних пристроїв і кріплень, у тому числі морських навігаційних пристроїв, радіостанцій CB та багато іншого.
RAM-111BU працює з:
Ехолоти та GPS-картплотери Garmin
Ехолоти та GPS-картплотери Humminbird
GPS-ехолоти та картплотери Lowrance
GPS-ехолоти та картплотери Raymarine
RAM -111BU сумісний, серед іншого, із наведеними нижче пристроями:
Garmin Striker серії 5
Garmin Striker серії 7
Garmin echoMAP Chirp серії 72-95
Garmin GPSMAP 7607
Garmin GPSMAP 7608
Lowrance HOOK-7
Lowrance Elite-7 CHIRP
Lowrance HDS-7 Gen2 Touch
Lowrance HDS-7 Gen3
