Редуктор CMI75 1/80 17,5 об/хв 80B14
Код: 10661820609
11430 грн
Ціна вказана з доставкою в Україну
Товар є в наявності
ЯК ЕКОНОМИТИ НА ДОСТАВКЕ?
Замовляйте велику кількість товарів у цього продавця
Інформація
- Час доставки: 7-10 днів
- Стан товару: новий
- Доступна кількість: 7
Оплачивая «Редуктор CMI75 1/80 17,5 об/мин 80B14» данное изделие из «Редукторы» вы можете быть уверены, что после оформления заказа, доставки в Украину, вы получите именно то, что заказывали, в оговоренные сроки и европейского качества.
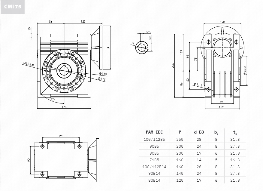
Редуктор / черв'ячна передача CMI 75
НАЗВА: черв'ячна передача CMI 75 Intec
ТРАНСМІСІЯ: 1/80 в поєднанні з двигуном при 1400 об/хв дає на виході 17,5 оборотів
КОЛЮЧКА ДВИГУНА: 80 B14 ∅120 мм
ДІАМЕТР ГІЛЬЗИ ДВИГУНА: ∅19 ММ
ДІАМЕТР ВИХІДНОЇ ГІЛЬЗИ: ∅28 мм
