Регулятор Makita ДЛЯ циркулярної пилки DHS630 18V
- Час доставки: 7-10 днів
- Стан товару: новий
- Доступна кількість: 1
Приобретая «Регулятор Makita ДЛЯ циркулярної пилки DHS630 18V» данный товар из каталога «Электронные модули» вы можете быть уверены, что после оформления заказа, доставки в Украину, вы получите именно то, что заказывали, в оговоренные сроки и европейского качества.
* Контролер Makita для акумуляторної циркулярної пилки BHS630 DHS630
новий оригінал
( КОНТРОЛЕР / електроніка / контролер / Акумуляторна циркулярна пила )
- Виробник: Makita
- Код виробника: 620257-3 / 620G73-5 / 620054-7
- Елемент у схема : № 7 - BHS630
Застосування:
акумуляторна ручна пила / циркулярна пила:
- BHS630
- DHS630
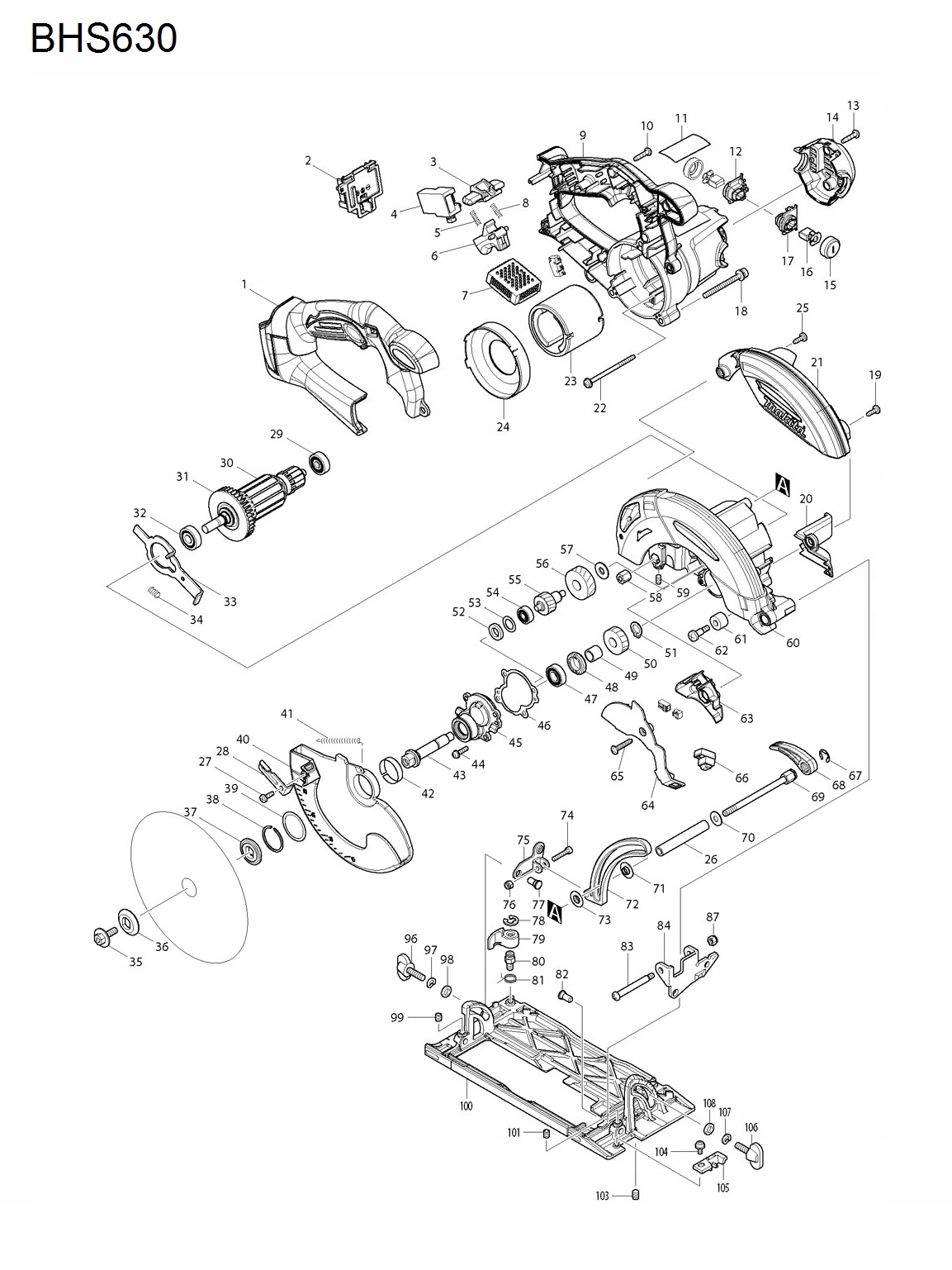
Перелік деталей для BHS630
позиція на схемі, каталожний номер, опис товару, кількість:
001; 141237-1 Комплект кришки ручки; 1
C10; 263005-3 Паличка гумова 6; 1
002-1; 644808-8 Затискач; 1
003; 419664-3 Важіль блокування зчеплення; 1
004; 650631-1 Перемикач; 1
005; 231469-9 Натискна пружина 4; 1
006; 419665-1 Важіль перемикача; 1
007; 620054-7 Контролер; 1
C10; 620059-7 Перемикач; 1
007-1; 620257-3 Контролер; 1
C10; 620059-7 Перемикач; 1
007-2; 620G73-5 КОНТРОЛЕР; 1
C10; 620059-7 Перемикач; 1
008; 231469-9 Натискна пружина 4; 1
009; 140984-1 Комплект корпусів двигуна; 1
C10; 263005-3 Паличка гумова 6; 1
010; 265995-6 Гвинт саморіз з опуклою головкою PT 4X18; 7
011; 896399-7 Паспортна табличка BHS630; 1
012; 643889-9 Тримач вугільної щітки; 1
013; 265995-6 Гвинт саморіз з опуклою головкою PT 4X18; 2
014; 452787-4 Задня кришка; 1
015; 643941-3 КОВПАК ТРИМАЧА ЩІТКИ; 2
016; 194435-6 Вугільні щітки; 1
017; 643882-3 Тримач вугільної щітки; 1
018; 911258-5 Гвинт з круглою головкою M5X35 WR; 3
019; 266026-4 Саморіз з опуклою головкою CT 4X12; 1
020; 452790-5 канал; 1
021; 452789-0 Кришка леза; 1
022; 266292-3 Гвинт саморіз з товстою головкою 4X65; 2
023; 638571-3 Хомут; 1
024; 452785-8 Пороги керма; 1
025; 266026-4 Саморіз з опуклою головкою CT 4X12; 1
026; 331947-0 ТРУБА 6; 1
027; 266020-6 Саморіз з опуклою головкою PT 4X12; 1
028; 272270-3 Важіль 39; 1
029; 210023-2 ПІДШИПНИК 627DDW; 1
030; 519288-6 Комплект роторів електродвигуна. 18 В; 1
031; 241869-5 Вентилятор 55; 1
032; 210051-7 ПІДШИПНИК 609LLB; 1
033; 344681-3 ЗАМОК ВАЛА; 1
034; 233117-6 Натискна пружина 6; 1
035; 266458-5 Гвинт із шестигранною головкою та фланцем M6X18; 1
036; 224421-4 Зовнішній фланець 28; 1
037; 224417-5 Внутрішній фланець 28; 1
038; 257938-2 Стопорне кільце (ЗОВНІ) WR-26; 1
039; 267127-1 Шайба 26; 1
040; 452791-3 Кришка безпеки; 1
041; 231874-0 Пружина розтягування 4; 1
042; 345470-9 Кільце; 1
043-2; 326410-6 Шпиндель; 1
044; 911128-8 Гвинт з круглою головкою M4X16 WR; 4
045; 140983-3 КОРОБКА ПІДШИПНИКА В КОМПЛЕКТІ; 1
C10; 263002-9 Паличка гумова 4; 1
046; 442141-0 Прокладка маслозливної пробки; 1
047; 210069-8 ПІДШИПНИК 6900DDW; 1
048; 285847-5 ФІРМА ПІДШИПНИКА 14-23; 1
049; 257284-3 Кільце 10; 1
050-2; 227791-0 Косозуба шестерня 24; 1
051; 961006-2 Кільце стопорне (ЗОВНІШНЄ) S-10; 1
052; 262155-1 Гумове кільце 10; 1
053; 267369-7 Шайба 11; 1
054; 211012-0 ПІДШИПНИК 606ZZ; 1
055; 227717-2 Косозуба шестерня 17; 1
056; 226676-7 Косозуба 39; 1
057; 253823-7 Шайба 7; 1
058; 264064-0 ШЕСТИГРАННА ГАЙКА M6; 1
059; 266229-0 Установчий гвинт із внутрішнім шестигранником (КІНЕЦЬ ГЛИБИНИ) M5X8; 1
060; 141002-8 Набір корпусів ножів; 1
C10; 21395
