Регулятор обертів Metabo 240В для WEV 11-125 Quick
- Час доставки: 7-10 днів
- Стан товару: новий
- Доступна кількість: 2
Покупая «Регулятор обертів Metabo 240В для WEV 11-125 Quick» данный товар из каталога «Электронные модули» вы можете быть уверены, что после оформления заказа, доставки в Украину, вы получите именно то, что заказывали, в оговоренные сроки и европейского качества.
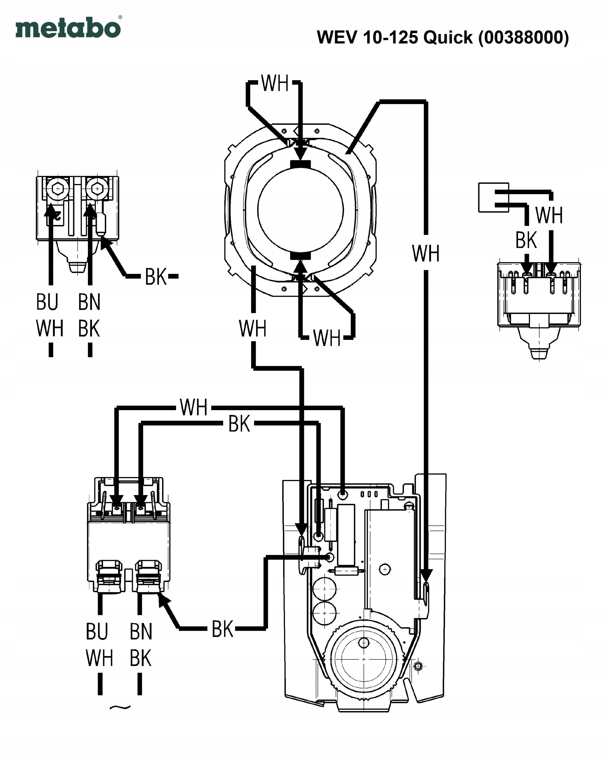
* Електроніка Metabo 230 В 50/60 Гц для кутової шліфувальної машини WEV 10-125 Quick
новий оригінал
(електронний модуль / регулятор швидкості)
- Виробник: Metabo
- Код виробника: 343083560
- Позиція на схемі: No. 10 - WEV 10-125 Quick (00388000)
Застосування
кутова шліфувальна машина:
- WEV 10-125 Quick (00388000)
- WEV 10-125 Quick (00388180)
- WEV 11-125 Quick (03625000)
- WEV 11-125 Quick (03625180)
- WEV 11-125 Quick (03625380)
Перелік деталей WEV 10-125 Quick (00388000)
місце на схемі, кількість, каталожний номер, опис пристрою:
1; 1; 310010930 КРИЛЬЧАТКА в комплекті, 230В
2; 1; 311011930 СТАТОР ЗІ СТАТОРОМ,230 В
3; 1; 343410240 ПЕРЕМИКАЧ 1-полюсний,X2
4; 1; 344100970 КАБЕЛЬНА ГРУПА
5; 1; 344499530 КАБЕЛЬ З ВИЛКОЮ CEE
6; 1; 343362490 КАБЕЛЬНИЙ ЗАЖИМ
7; 1; 315013530 КОРПУС ДВИГУНА
8; 1; 339151190 ШАЙБА
9; 1; 339151200 ШАЙБА
10; 1; 343083560 МОДУЛЬ ЕЛЕКТРОНІКИ, 230 В 50/60 Гц
11; 1; 143115690 ПІДШИПНИК,6x19x6
12; 1; 344097870 ВТУЛКА ГУМОВА
13; 1; 339133060 ШАЙБА,8.05x17x0.4
14; 1; 143115700 ПІДШИПНИК,8x22x7
15; 1; 339006390 ШАЙБА,7,05x19,5x0,2
16; 1; 341100940 ГАЙКА 6 - КУТОВА
17; 1; 343433080 SHIFT
18; 1; 343433040 КРИШКА 2 ЧАСТИНИ
19; 1; 343433100 ВИЛКА
20; 1; 343437100 ПЕРЕКЛЮЧАТЕЛЬ
21; 1; 341031160 НАЖИМНИЙ МУШТ
23; 1; 339204500 КРИШКА,D125
24; 1; 316046590 Набір ручок
26; 1; 342022490 ПРУЖИНА
30; 1; 339012430 УЩІЛЬНЕННЯ
31; 4; 141121640 ГВИНТ DIN 7500
32; 4; 141116980 МЕТАЛЕВИЙ ГВИНТ ЛІНЗИ
33; 2; 141117060 МЕТАЛЕВИЙ ГВИНТ ЛІНЗИ
34; 1; 338059870 ТАБЛИЧКА
36; 1; 399999990 ЧАСТИНА ТУТ НЕ ПОТРІБНА
40; 1; 341604420 Шліфувальний круг M14
41; 1; 316055350 Комплект гайок, M14
42; 2; 141151120 ШАЙБА 10,2 X 14,8 X 0,2
43; 1; 141152300 ШАЙБА 10,2 X 14,8 X 0,1
44; 1; 141153920 ШАЙБА 10,2 X 14,8X 0,5
50; 1; 343433280 НАМІТНИК НАБІР
51; 1; 341102460 ГАЙКА
52; 1; 316054980 ПЕРЕДАЧА З ПІНІО
53; 1; 316055080 КОМПЛЕКТ ФРИКЦІЙНИХ ДИСКІВ Compl.
54; 1; 316055100 КОРПУС РЕСУРСІВ Compl.
55; 1; 316054260 МУФТА перевантаження з шестірнею
56; 1; 316055230 ТРИМАЧ ЩІТКИ Compl.
57; 1; 316054860 ВЕНТИЛЯТОР З ПРОТИПИЛОВОЮ КОРЗИНОЮ
58; 1; 316055190 ЩІТКА (ЗНІМНА) ПЕРЕМИКНА
59; 1; 316066040 ЗАЖИМ ВАЖІЛЬ Compl.
62; 1; 143196000 О - КІЛЬЦЕ
63; 1; 342003390 ПРУЖИНА
64; 1; 343433130 ЖОВТА КНОПКА
65; 1; 341515640 BOLEC
68; 1; 399999990 ЧАСТИНА ТУТ НЕ ПОТРІБНА
92; 1; 143195640 О - КІЛЬЦЕ
880; 1; 344130920 МАСТИЛО 1 G
885; 1; 344130560 МАСТИЛО SF 011 50Gr 1.8oz
1001; 1; 338505690 СХЕМА ПІДКЛЮЧЕННЯ
