Регулятор швидкості BOSCH GWS 8-100 8-125 CE 850 CE
- Час доставки: 7-10 днів
- Стан товару: новий
- Доступна кількість: 1842
Покупая «» данный товар из каталога «Регуляторы скорости» вы можете быть уверены, что после оформления заказа, доставки в Украину, вы получите именно то, что заказывали, в оговоренные сроки и европейского качества.
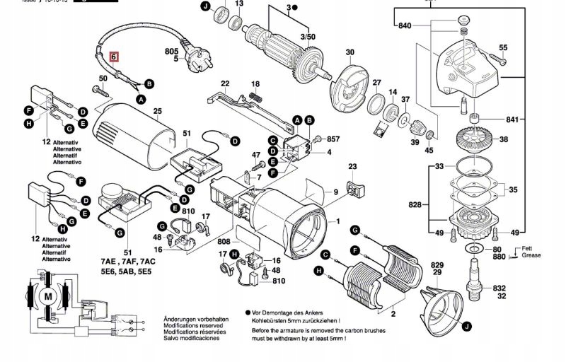
Регулятор обертів для кутової шліфувальної машини BOSCH GWS
GWS 8-100 CE, GWS 8-125 CE, GWS 850 CE
Кат. № 1 607 233 137
підходить:
GWS 850 CE
0 601 378 :
743,7A3,7A8,7AB,703,7V1
GWS 8-125 CE
0 601 378:
708/7E3/7W1/903
GWS 8-100 CE
0 601 378:
606/640/643/644/660/6A6/6E3/6E4/6G0/6W1/
ПІДКЛЮЧЕННЯ РЕГУЛЯТОРА НА ФОТОГРАФІЯХ НИЖЧЕ
Цей конденсатор (фільтр перешкод) слід від'єднати від шліфувальної машини, тому що наш регулятор підключено, як № 51 7AE, 7AF, (...) тобто: дріт G йде до статора, а D і E до середніх контактів перемикача.
Тоді C і F від перемикача йдуть до статора, а H від статора безпосередньо до щіткотримача (крім конденсатора), як це відбувається на нашій шліфувальній машині :)
НОВИЙ ПРОДУКТ НА ЗАМІНУ
