Регулятор витрати гідравлічного масла RFC-VU клапан 3/4"-1/2".
- Час доставки: 7-10 днів
- Стан товару: новий
- Доступна кількість: 1
Оплачивая «Регулятор витрати гідравлічного масла RFC-VU клапан 3/4"-1/2".» данное изделие из «Гидравлические клапаны» вы можете быть уверены, что после оформления заказа, доставки в Украину, вы получите именно то, что заказывали, в оговоренные сроки и европейского качества.
Гідравлічний регулятор витрати масла RFC-VU 3/4"-1/2" BSP з регулюванням витрати 1-50 л/хв! Виробник Oleodinamica Marchesini.
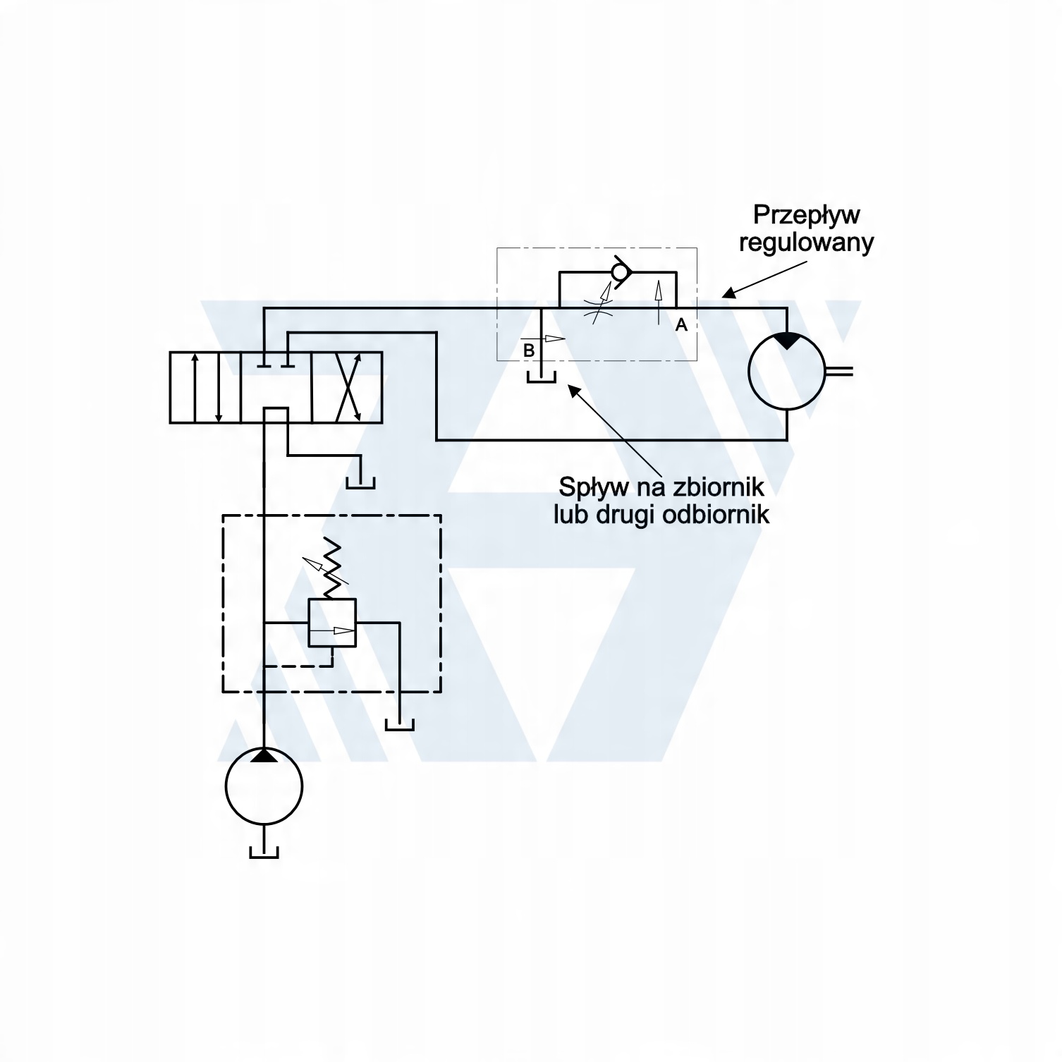
Регулятор потоку — це дуже популярний гідравлічний клапан, який використовується для керування рухом ресивера, наприклад, гідравлічного двигуна.
Цей клапан має три з’єднувальні порти: один блок живлення P і два порти A і B. Регульований потік доступний через порт A, невикористаний потік масла спрямовується до порту B, який можна підключити до резервуару чи іншого приймача.
Дякую. У такому типі конструкції регулятор не створює тиску, що означає, що клапан не навантажує гідравлічний насос. У цьому його перевага перед стандартними дросельними або дросельними клапанами.
Клапан має компенсацію тиску, завдяки чому потік регульованого потоку є постійним і не змінюється залежно від змін тиску та витрати. в системі та при зміні навантаження на приймач.
Будівельна промисловість, сільськогосподарська промисловість, автомобільна промисловість , аерокосмічна промисловість,
Характеристики клапана:
🔵 З’єднувальна різьба: P: 3/4", A/B: 1/2"
🔵 Максимальний регульований потік: 50 л/хв
🔵 Максимальний тиск: 350 бар
🔵 Шкала налаштування: так, на ручці
🔵 Матеріал корпусу: оцинкована сталь
🔵 Матеріал ручки: сталь (має кріпильний гвинт)
p>
🔵 Матеріал ущільнення: Буна (синтетичний каучук)
🔵 Виробник: Oleodinamica Marchesini (виробництво Італія)!!
🔵 Позначення виробника: RFC-VU
Приклад використання регулятора витрати!
Поширеним прикладом використання цього типу клапанів є система контролю швидкості обертання гідравлічний двигун.
З'єднання.
Клапан має два порти P, A і B. Підключіть джерело живлення до порту P, регульовану лінію до порту A та порт B можна підключити до резервуара або до іншого приймача.
На цьому аукціоні ви купуєте один клапан, якщо ви хочете купити більше, виберіть відповідну кількість!
На інших аукціонах у нас є інші клапани, наприклад гідравлічні замок (подвійний зворотний клапан), клапани перепускні клапани, дросельні клапани, клапани надцентру, клапани для реверсивних плугів, клапани маркерів сівалки, зворотні клапани, зворотні клапани, ударні клапани, клапани зламаних труб, альтернативні клапани, роздільники потоку, регулятори потоку та багато інших.
