РЕЛЕ ЧАСУ МОДУЛЬ РЕЛЕ ЧАСУ
- Час доставки: 7-10 днів
- Стан товару: новий
- Доступна кількість: 10
Приобретая «РЕЛЕ ВРЕМЕНИ МОДУЛЬ РЕЛЕ ВРЕМЕНИ» данный товар из каталога «Модули» вы можете быть уверены, что после оформления заказа, доставки в Украину, вы получите именно то, что заказывали, в оговоренные сроки и европейского качества.
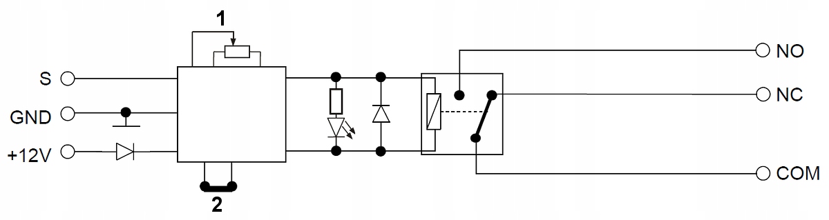
РЕЛЕ ЧАСУ МОДУЛЬ РЕЛЕ ЧАСУ PK1-12-ZPC
Номер продукту: 29627
PK1-12-ZPC дозволяє продовжити короткий тригерний імпульс на час, встановлений за допомогою потенціометра.
Пристрій можна використовувати для подовження коротких імпульсів управління, наприклад, роботи замків, електромагнітних клапанів, бістабільного управління, а також для створення переходу в проектах контролю доступу, з логічною залежністю від стану: контролера, датчика відкриття дверей (геркона), кнопки виходу тощо.
Кількість релейних виходів: 1
Живлення: 10 ... 16 В постійного струму
Енергоспоживання: 35 мА (макс.)
Навантажувальна здатність контактів: 10 A (макс.) при 30 В постійного струму / 50 В змінного струму (макс.)
Вихід: 1 x NO/NC
Вибрані функції:
Діапазон налаштування часу
1. Діапазон: 2 с ... 60 с,
2. Діапазон: 10 с ... 10 хвилин Світлодіодна сигналізація
Робоча температура: -10 °C ... 40 °C
Вага: 0,025 кг
Розміри: 47 x 40 x 23 мм
Виробник/бренд: ДЕЛЬТА
