Реле DPDT 40.52.9.012.0000 FINDER 8A 12V
Код: 11930326559
671 грн
Ціна вказана з доставкою в Україну
Товар є в наявності
ЯК ЕКОНОМИТИ НА ДОСТАВКЕ?
Замовляйте велику кількість товарів у цього продавця
Інформація
- Час доставки: 7-10 днів
- Стан товару: новий
- Доступна кількість: 22
Оплачивая «Реле DPDT 40.52.9.012.0000 FINDER 8А 12В», вы можете быть уверены, что данный товар из каталога «Контакторы и реле» будет доставлен из Польши и проверен на целостность. В цене товара, указанной на сайте, учтена доставка из Польши. Внимание!!! Товары для Евросоюза, согласно законодательству стран Евросоюза, могут отличаться упаковкой или наполнением.
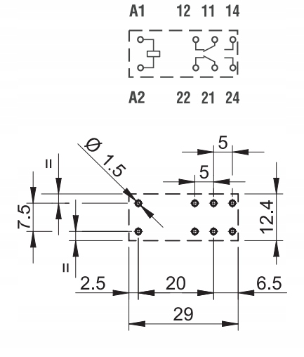
DPDT реле 40.52.9.012.0000 FINDER 8A 12V
модель 40.52.9.012.0000 FINDER
ТЕХНІЧНІ ДАНІ:
- Конфігурація контактів DPDT
- напруга котушки 12 В постійного струму (максимум 18 В постійного струму)
- Котушка R: 220 Ом
- робоча температура °C: –40…+85
- механічна міцність: 20 x 106 перемикань
- кількість пар контактів: 2
- Струм контакту 8A
- Напруга контакту 250 В
- Матеріал контакту: срібло, нікель
- розміри: 29x25x12,4 мм
ви можете придбати монтажний аксесуар для цього реле DIN-рейка (TH35) модель FINDER 95.75.0 або FINDER або 95.85.3
