Реле Pulsar AWZ-510
- Час доставки: 7-10 днів
- Стан товару: новий
- Доступна кількість: 1
Заказывая «Реле Pulsar AWZ-510» данный товар из каталога «Контакторы и реле», вы можете получить дополнительную скидку 4%, если произведете 100% предоплату. Размер скидки вы можете увидеть сразу при оформлении заказа на сайте. Внимание!!! Скидка распространяется только при заказе через сайт.
Релейний модуль PU-1 AWZ 510
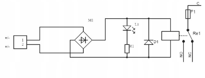
Релейний модуль PU1 AWZ510 від Pulsar призначений для використання в низьковольтних установках. Використовується для контролю та сигналізації про стани, наприклад, у системах сигналізації та контролю доступу. Може використовуватися для управління пристроями з високим енергоспоживанням через OC виходи систем сигналізації. Крім того, забезпечується гальванічне розділення сигналів і джерел живлення від виходів модуля. Має послідовний запобіжник у ланцюзі реле (C, NO, NC).
Релейний модуль PU-1 AWZ 510
- джерело живлення : 10-16 В постійного струму / 10-13 В змінного струму
- реле: 1x REL-C/NO/NC, 1A@30В постійного струму / 50В змінного струму
- напруга контакту реле: макс. 30 В постійного струму / 250 В змінного струму
- струм контакту реле: макс. 1 А
- напруга котушки реле: 12 В постійного/змінного струму (+/-20%)
- струм котушки реле: 33 мА
- потужність котушки: 400 мВт
- опір котушки: 360 Ом ±10%
- час увімкнення: <15 мс
- час вимкнення: <8 мс
- запобіжник: F 1A< /li>
- збірка: клейка стрічка в комплекті
- робоча температура: -10º - 45ºC
- розміри (довжина x ширина x висота): 50 x 43 x 20 мм
- вага: 0,025 кг
