РЕЛЕ ВАРИСТОР ГАЗІК ЗАХИСТУ RC SSR
- Час доставки: 7-10 днів
- Стан товару: новий
- Доступна кількість: 5
Просматривая «РЕЛЕ ВАРИСТОР ГАЗІК ЗАХИСТУ RC SSR», вы можете быть уверены, что данный товар из каталога «Контакторы и реле» будет доставлен из Польши и проверен на целостность. В цене товара, указанной на сайте, учтена доставка из Польши. Внимание!!! Товары для Евросоюза, согласно законодательству стран Евросоюза, могут отличаться упаковкой или наполнением.
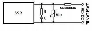
СИСТЕМА ГАСІННЯ З ВАРИСТОРОМ
Під час використання в ланцюгах сильного струму (змінного/постійного струму), особливо в індуктивних ланцюгах, пам’ятайте про використання відповідного варисторного захисту або систем RC паралельно вихідним контактам реле, наприклад, SSR, що захищає від небажаних перешкод/перенапруги.
Система RC супресора складається з R=33-1000Ohm/1-5W, C=1nF-0.10 µF - точні значення RC підбираються на основі номограм.
Підключити паралельно контактам тиристора або реле SSR
Технічні параметри:
- Супресорний модуль із ланцюгом R (100 Ом), C (100 нФ) і варистором 10D471K для захисту тиристора або реле, наприклад SSR li >
- Для індуктивного навантаження AC/DC 5~400 В (наприклад, двигуни)
- Потужність менше 1000 Вт
- Варистор запобігає надмірним коливанням напруги
- Гвинтове з'єднання АРк для згвинчування приймальних кабелів перетином макс. 2,5 мм2
- Розміри друкованої плати 13x40 мм
