ROCA DUPLO ONE + ONA RIMLESS COMPACTO З ДОШКОЮ A893106400
Код: 18097598122
35348 грн
Ціна вказана з доставкою в Україну
Товар є в наявності
ЯК ЕКОНОМИТИ НА ДОСТАВКЕ?
Замовляйте велику кількість товарів у цього продавця
Інформація
- Час доставки: 7-10 днів
- Стан товару: новий
- Доступна кількість: 1
Просматривая «ROCA DUPLO ONE + ONA КОМПАКТНЫЙ БЕЗОБЕДНИК С ДОСКОЙ A893106400» данное изделие из «Наборы для скрытого монтажа в туалете» вы можете быть уверены, что после оформления заказа, доставки в Украину, вы получите именно то, что заказывали, в оговоренные сроки и европейского качества.
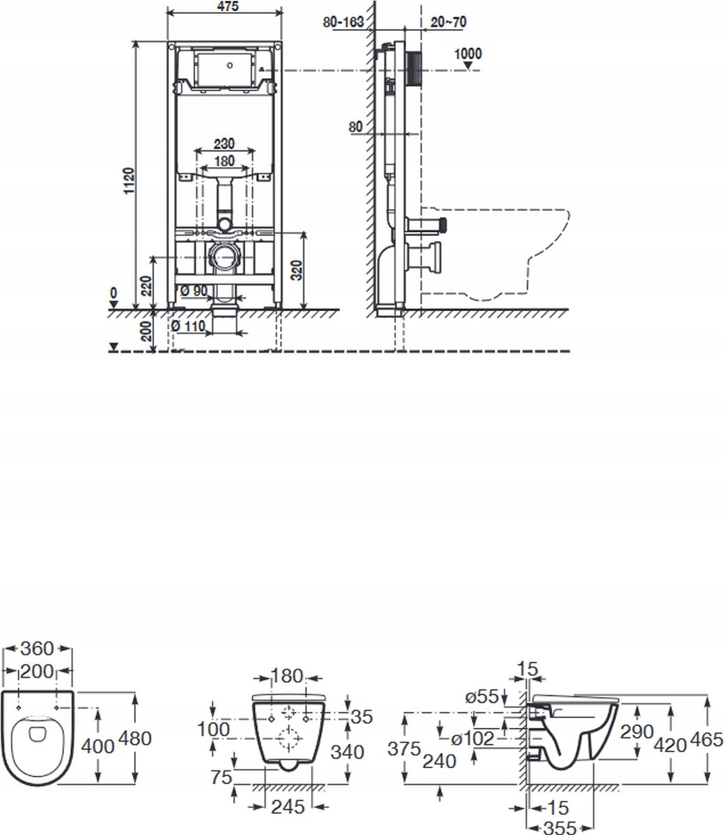
Набір прихованого монтажу Roca DUPLO ONE + ONA COMPACTO RIMLESS із сидінням A893106400
До набору входить:
- Унітаз ONA COMPACTO RIMLESS
- Вузьке сидіння ONA COMPACTO з функцією легкого від’єднання, яке повільно закривається.
Набір не включає кнопка.
- висота: 1120 мм
- ширина: 475 мм
- відстань від стіни: 80-163 мм
- глибина резервуара: 80 мм
- коліно з’єднання в комплекті: DN100 (110 мм), DN90 (90 мм)
- мінімальна монтажна глибина: 107 мм. горизонтальний
- Колір: білий глянсовий
- Система змиву: європейська
- Набір для монтажу: в комплекті
Ми однозначно рекомендуємо клієнтам, які шукають надійну ванну техніку за привабливою ціною.
ОПИС ПРОДУКТУ
- набір включає: приховану раму Duplo One, підвісний унітаз без ободів, тонке сидіння з м’яким закриванням, набір для встановлення
- форма чаші: закруглена
- розміри: 36 x 48 см
- система прихованої збірки чаші: полегшує утримання в чистоті, гарантуючи максимум гігієна
- матеріал чаші: кераміка
- тип зливу: горизонтальний
- висота рами: 112 см
- прихована рама 6/3 л з можливістю регулювання зливу до 4,5/3 або навіть 4/2 л
- комбінується з кнопками серії Duplo One
- дуропласт плита
- колір: білий
