Ротор Makita для кутової шліфувальної машини DGA452
- Час доставки: 7-10 днів
- Стан товару: новий
- Доступна кількість: 5
Заказывая «Makita Rotor для угловой шлифовальной шлифовки DGA452» данный товар из каталога «Роторы» вы можете быть уверены, что после оформления заказа, доставки в Украину, вы получите именно то, что заказывали, в оговоренные сроки и европейского качества.
/MAKITA The rotor for a battery angle grinder BGA452 H2> - Producer: Makita
- Manufacturer's code: 619218-8/519184-8/510091-8
-
-
Застосування:
Кутова шліфувальна машина
- BGA452
- DGA452
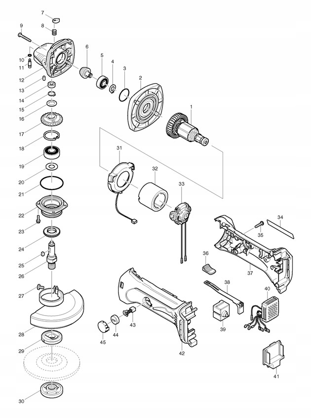
Список деталей для BGA452
положення на схемі, номер каталогу, опис, кількість
001-2a; 619218-8 Ротор електромотора; 1
C10; 421977-0 гумове кільце 13; 1
001-2b; 619218-8 Ротор електромотора; 1
C10; 421977-0 гумове кільце 13; 1
001-2e; 619218-8 Ротор електромотора; 1
C10; 421977-0 гумове кільце 13; 1
001-2f; 619218-8 Ротор електромотора; 1
C10; 421977-0 гумове кільце 13; 1
001-2g; 619218-8 Ротор електромотора; 1
C10; 421977-0 гумове кільце 13; 1
002; 317821-6 Покриття корпусу коробки передач; 1
003; 213445-5 O-кільце 26; 1
004; 961005-4 Кріплення (зовнішнє) S-9; 1
005-1a; 210042-8 Бульковий підшипник 629llb; 1
005-1b; 210042-8 Бульковий підшипник 629llb; 1
005-1e; 210042-8 Бульковий підшипник 629llb; 1
005-1f; 210042-8 Бульковий підшипник 629llb; 1
005-1g; 210042-8 Бульковий підшипник 629llb; 1
006-1; 227959-8 Spiral Bevel Gear 19; 1
007; 417771-6 шпилька; 1
008; 233072-2 ПРЕДНЯ Весна 8; 1
009-1a; 266361-0 Самостійний гвинт з товщиною 4х30 головки; 4
009-1b; 266361-0 Самостійний гвинт з товщиною 4х30 головки; 4
009-1e; 266361-0 Самостійний гвинт з товщиною 4х30 головки; 4
009-1f; 266361-0 Самостійний гвинт з товщиною 4х30 головки; 4
009-1g; 266361-0 Самостійний гвинт з товщиною 4х30 головки; 4
010; 213960-9 O-кільце 5; 1
011; 256496-5 плечовий комір 4; 1
012; 318051-2 Господарство передач; 1
013; 263002-9 Гума 4; 1
014; 210033-9 кульковий підшипник 696zz; 1
015; 961052-5 Встановлення кільця (зовнішнє) S-12; 1
016; 253744-3 PAD 12; 1
017-1; 227960-3 Spiral Bevel Gear 39; 1
018; 962151-6 Кріплення кільця (всередині) R-32; 1
019-1a; 21129-9 Бульковий підшипник 6201DDW; 1
019-1b; 21129-9 Бульковий підшипник 6201DDW; 1
019-1e; 21129-9 Бульковий підшипник 6201DDW; 1
019-1f; 21129-9 Бульковий підшипник 6201DDW; 1
019-1g; 21129-9 Бульковий підшипник 6201DDW; 1
020; 267238-2 PAD 12; 1
021; 213622-9 O-кільце 45; 1
022-1a; 318331-6 підшипник; 1
022-1b; 318331-6 підшипник; 1
022-1e; 318331-6 підшипник; 1
022-1f; 318331-6 підшипник; 1
022-1g; 318331-6 підшипник; 1
023; 911121-2 Гвинт з лавкою M4X14 W; 4
024; 345464-4 Кільце лабіриту; 1
025; 254011-9 шпилька колінчастого вала 4; 1
026-1a; 324489-1 Шпиндель; 1
026-1b; 324489-1 Шпиндель; 1
026-1e; 324489-1 Шпиндель; 1
026-1f; 324489-1 Шпиндель; 1
026-1g; 324489-1 Шпиндель; 1
027-1a; 265180-1 гвинт з конічним вирізанням голови M5X16; 1
027-1b; 265180-1 гвинт з конічним вирізанням голови M5X16; 1
027-1e; 265180-1 гвинт з конічним вирізанням голови M5X16; 1
027-1f; 265180-1 гвинт з конічним вирізанням голови M5X16; 1
027-1g; 265180-1 гвинт з конічним вирізанням голови M5X16; 1
028-2a; 123098-1 прокляття щит 115AK; 1
C10; 213009-5 О-кільця 4; 1
028-2b; 123098-1 прокляття щит 115AK; 1
C10; 213009-5 О-кільця 4; 1
028-2e; 123098-1 прокляття щит 115AK; 1
C10; 213009-5 О-кільця 4; 1
028-2f; 123098-1 прокляття щит 115AK; 1
C10; 213009-5 О-кільця 4; 1
028-2g; 123098-1 прокляття щит 115AK; 1
C10; 213009-5 О-кільця 4; 1 /
