РОЗДІЛЬНИК 3 СЕК 40 Л З ПЛАВАЮЧОЮ ФУНКЦІЄЮ ЗАСУВКА
- Час доставки: 7-10 днів
- Стан товару: новий
- Доступна кількість: 46
Просматривая «РАЗДЕЛИТЕЛЬ 3 SEC 40L ПЛАВАЮЩАЯ ФУНКЦИОНАЛЬНАЯ ЗАЩЕЛКА», вы можете быть уверены, что данный товар из каталога «Гидравлическая система» будет доставлен из Польши и проверен на целостность. В цене товара, указанной на сайте, учтена доставка из Польши. Внимание!!! Товары для Евросоюза, согласно законодательству стран Евросоюза, могут отличаться упаковкой или наполнением.
3-СЕКЦІЙНИЙ ГІДРАВЛІЧНИЙ РОЗДІЛЬНИК 40 л + ПЛАВАЮЧА СЕКЦІЯ З 1-СТОРОННЮ ЗАСУВКОЮ (K16+8)
КОД НА ГРУНТАХ: [1723]
Виробник: SM-G (SKRAW) MET GROUP)
Якісний, моноблочний розподільник з паралельним розташуванням і плаваючою (поглинаючою) камерою. Він характеризується компактною конструкцією, стабільною роботою та високою універсальністю.
Дозволяє керувати трьома приводами подвійної дії.
Можливе підключення послідовно до існуючої системи.
Завдяки засувці із засувкою розподільник ідеально підходить для машин і пристроїв, де немає необхідності постійно тримати руку на важелі.
Розподільник (високої якості) моноблок з паралельною системою з плаваючою камерою (амортизація).
!УВАГА! У певному розподільнику секція із засувкою розташована лише в одній секції з ПЛАВАЮЧОЮ ФУНКЦІЄЮ. .
Його можна використовувати в сільському господарстві, садівництві, лісництві та будівництві.
Універсальний розподільник, який використовується в різних типах машин, таких як:
- Циклоп
- Повороти
- Навантажувачі
- Плуги
- Вилочні навантажувачі та багато іншого
Чотирьохпозиційний важіль (1 - 0 - 2 - 3) із засувкою, що утримує важелі в плаваючому положенні
- Нейтральне положення 0 (важіль встановлено вертикально) поршень приводу стоїть на місці - масло йде в перелив.
- Робоче положення 1 (важіль у діагональному положенні вперед)поршень приводу висувається.
- Робоче положення 2 (важіль у діагональному положенні назад) поршень приводу втягується.
- Положення 3 плаваюче з засувкою (важіль встановлено в максимально переднє положення) b> поршень приводу працює вільно, висувається і втягується вільно під дією сил.
Трипозиційний важіль (1 - 0 - 2)
- самостійно повертається у вертикальне положення на пружині
- Нейтральне положення 0 (важіль вертикально)поршень приводу стоїть - масло йде до перелив
- Робоче положення 1 (важіль у діагональному положенні вперед) поршень приводу висувається
- Робоче положення 2 (важіль у діагональному положенні назад) поршень приводу втягується
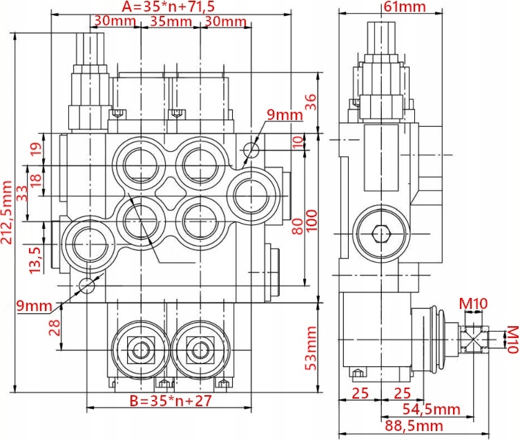
Підключення:
- Електроживлення (P) BSP 1 /2''
- Повернення (T) BSP 1/2''
- Вихід секції BSP 3/8' '
- З'єднання BSP 1/2"
Технічні характеристики:
Потік масла : 0 - 40 л/хв
Максимальний робочий тиск: 250 бар
Допустима температура навколишнього середовища: -40 ℃ до +60 ℃
Допустима температура масла: -15 ℃ до +80 ℃
Обладнаний запобіжним клапаном.
