РОЗМІННИЙ ГІДРАВЛІЧНИЙ КЛАПАН VU2P 1/2 70Л
- Час доставки: 7-10 днів
- Стан товару: новий
- Доступна кількість: 49
Просматривая «РОЗМІННИЙ ГІДРАВЛІЧНИЙ КЛАПАН VU2P 1/2 70Л» данный товар из каталога «Гидравлическая система» вы можете быть уверены, что после оформления заказа, доставки в Украину, вы получите именно то, что заказывали, в оговоренные сроки и европейского качества.
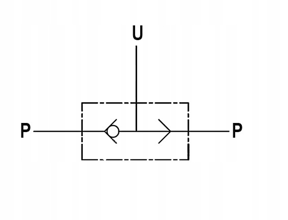
"ЛОГІЧНО-АЛЬТЕРНАТИВНИЙ" ПЕРЕКЛЮЧАЮЧИЙ гідравлічний клапан VU2P 1/4" 30L
СКРАВ-МЕТ КОД: [0329]
Логічний альтернативний клапан використовується для з'єднання двох різних джерел живлення.
Вхідний шлях, підключений до вищого тиску, автоматично підключається до вихідного шляху, коли інший вхід закритий.
Клапан використовується в сільськогосподарських і промислових машинах, а також в інших пристроях з гідравлічним керуванням.
Італійське виробництво, міцно зроблений
Гідравлічна схема:
Технічні характеристики
Підключення: підключіть P (ліворуч) до лінії живлення та P (праворуч) до другого приймача.
Максимальний потік: 70 л/хв.,
Внутрішня різьба в корпусі: порт підключення G1/1",
Допустимий тиск: макс. . тиск 250 бар,
Допустима температура навколишнього середовища: -40'C до +60'C,
Допустима температура масла : -15'C до +80'C,
Тип масла: гідравлічне масло на основі мінерального масла,
Матеріал : корпус - оцинкована сталь.
