Ручка Makita для мотокоси 168796-0
- Час доставки: 7-10 днів
- Стан товару: новий
- Доступна кількість: 10
Оплачивая «Ручка Makita для мотокоси 168796-0» данный товар из каталога «Смешанные наборы», вы можете получить дополнительную скидку 4%, если произведете 100% предоплату. Размер скидки вы можете увидеть сразу при оформлении заказа на сайте. Внимание!!! Скидка распространяется только при заказе через сайт.
* Ручка Makita для кущоріза / бензинового тримера EBH252U
новий оригінал
( Ручка 57 / РУЧКА 57 / БЕНЗИНОВИЙ КУЩОРІЗ )
- Виробник: Makita
- Код виробника: 168796-0
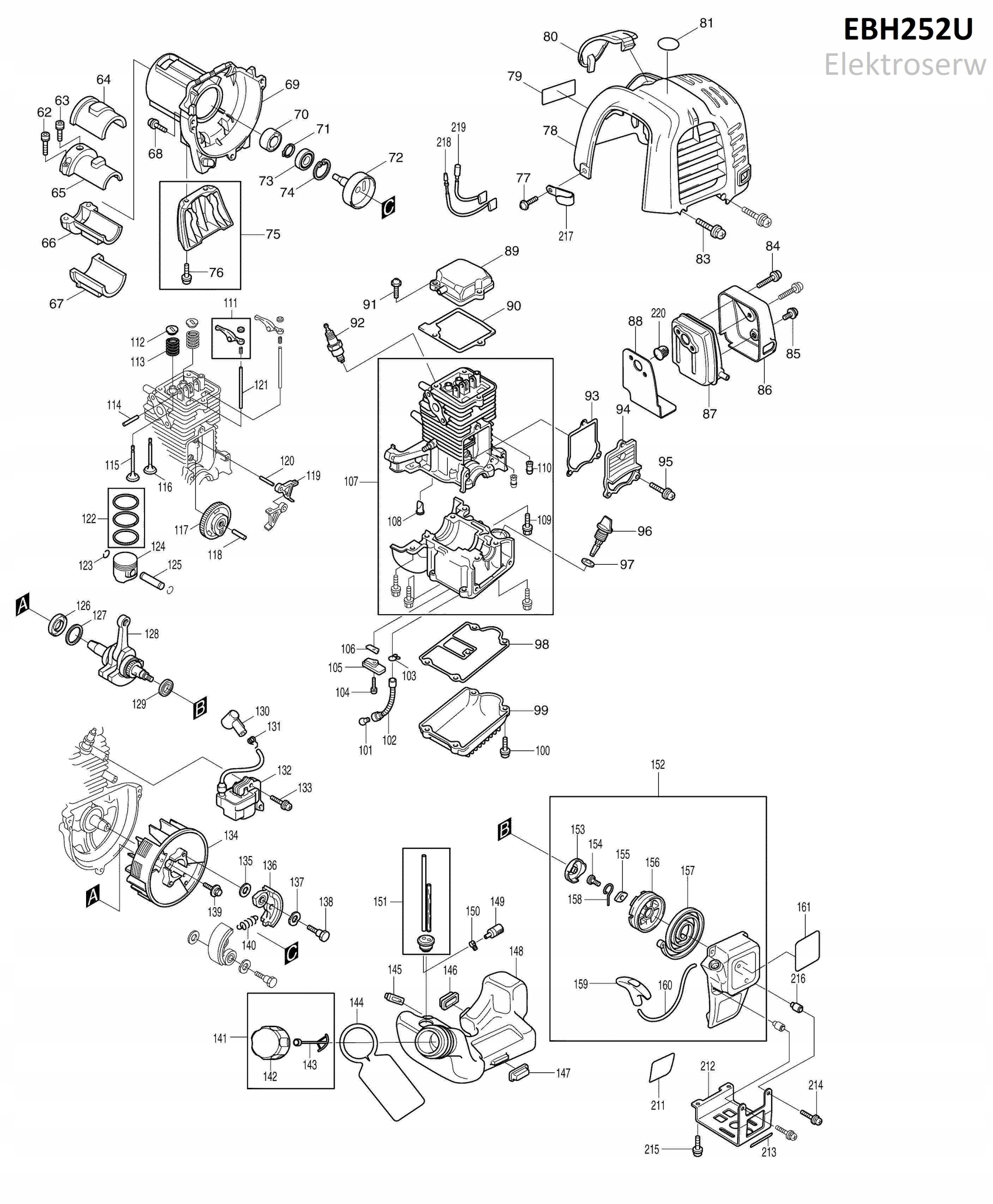
- Позиція на схемі: №. 21 - EBH252U
Застосування
бензиновий кущоріз / тример:
- EBH252U
- EBH253U
- EBH341U
- EM2650UH
- EM2651UH
- EM4350UH
- EM4351UH
- li>
кущоріз/тример акумуляторний ;
- BBC231U
- UR012G li>
- UR101C
Перелік деталей для EBH252U
позиція артикула, каталожний номер, опис товару, кількість:
001; 125544-0 Набір ручок управління; 1
002; 266326-2 Гвинт саморіз з товстою головкою 4X18; 3
003-2; 183A10-9 Комплект корпусів важеля; 1
004; 638663-8 Кабельний модуль; 1
005; 451081-1 ТРИМАЧ КАБЕЛЮ; 1
006; 451213-0 ГОФРОТРУБА; 1
007; 168527-7 Трос дросельної заслінки; 1
008; 451083-7 Важіль блокування зчеплення; 1
009; 233541-3 Пружина кручення 7; 1
010; 233540-5 Пружина кручення 11; 1
011; 451084-5 Важіль дросельної заслінки; 1
012-1; 455722-1 Кришка перемикача; 1
013; 451082-9 Важіль перемикача; 1
014; 232251-9 Листова ресора; 1
015-2; 183A10-9 Комплект корпусів важеля; 1
016; 266326-2 Гвинт саморіз з товстою головкою 4X18; 1
017-1; 188659-4 Комплект ручок; 1
018-1; 188659-4 Комплект ручок; 1
019; 922256-4 Гвинт під шестигранник M5X35 W; 1
020; 331862-8 Ручка 19; 1
021; 168524-3 Ручка 57; 1
021-1; 168796-0 Ручка 57; 1
022; 318429-9 ЗАЖИМ РУЧКИ; 1
023; 318428-1 ТРИМАЧ РУЧКИ; 1
024; 233202-5 Пружина стиснення 20; 1
025; 318427-3 ТРИМАЧ ТРУБИ; 1
026; 318426-5 ЗАЖИМ ТРУБИ; 1
027; 922241-7 Гвинт під шестигранник M5X25 W; 2
028; 195143-2 Комплект вішалок; 1
029; 911233-1 Гвинт з круглою головкою M5X20 WR; 1
030; 451526-9 ЗАЖИМ ДРОТУ; 2
031; 140041-5 ВАЛ ТРУБА КОМПЛЕКТ; 1
032; 810536-9 Попереджувальний ярлик; 1
033-3; 801D19-4 Етикетка з серійним номером; 1
034; 922256-4 Гвинт під шестигранник M5X35 W; 1
035-1; 327056-1 ВАЛ; 1
036-1; 922206-9 Гвинт під шестигранник M5X10 W; 2
037-2; 123833-7 Комплект корпусів редукторів; 1
040-1; 210157-1 ПІДШИПНИК 609ZZ; 1
041-1; 257986-1 Кільце стопорне (ЗОВНІ) S-9; 1
042-1; 257987-9 Кільце стопорне (ВНУТРІШНЄ) R-24; 1
043; 922241-7 Гвинт під шестигранник M5X25 W; 1
044; 265590-2 Гвинт з шестигранною головкою M8X10 R; 1
046-3; 183K10-9 КОМПЛЕКТ РЕЖУЧОГО ВАЛА; 1
049; 210115-7 ПІДШИПНИК 6001LLU; 1
050-1; 257407-3 Кільце стопорне (ВНУТРІШНЄ) R-28; 1
051-1; 326821-5 Розташування шайби; 1
052; 346084-7 Шайба супорта; 1
053; 168526-9 Набір чохлів; 1
054; 264025-0 HEX. ГАЙКА М10-17; 1
055-1; 452260-4 Кришка; 1
057-2; 266280-0 Гвинт під шестигранник M6X25; 2
058-1; 347012-5 ЗАЖИМ ЗАХИСТУ 24; 1
059; 266326-2 Гвинт саморіз з товстою головкою 4X18; 1
060-1; 347050-7 Різак; 1
061-2; 135753-3 Подовжувач щитка; 1
062; 922226-3 Гвинт під шестигранник M5X18 W; 2
063; 922211-6 Гвинт під шестигранник M5X12 W; 1
064; 424191-7 Трубка амортизатора карданного валу 1; 1
065; 318270-0 Опора труби 1; 1
066; 318271-8 Опора труби 2; 1
067; 424107-2 Трубка амортизатора карданного валу 2; 1
068-1; 922222-1 Гвинт під шестигранник M5X16; 3
069; 318329-3 Корпус зчеплення; 1
070-1; 450569-8 ПРОГУЛЯННЯ; 1
071; 961052-5 Кільце стопорне (ЗОВНІШНЄ) S-12; 1
072-2; 168809-7 Барабан зчеплення; 1
073-1; 210111-5 ПІДШИПНИК 6201LLU; 1
074; 962151-6 Кільце стопорне (ВНУТРІШНЄ) R-32; 1
075; 195144-0 Набір підставок; 1
076; 911218-7 Гвинт з круглою головкою M5X14 WR; 2
кімната C
