КРІПЛЕННЯ RAM-111U-B ДЛЯ ЕХОЗОНІВ ТА GPS ДЛЯ ЧОВНА
- Час доставки: 7-10 днів
- Стан товару: новий
- Доступна кількість: 1
Покупая «КРІПЛЕННЯ RAM-111U-B ДЛЯ ЕХОЗОНІВ ТА GPS ДЛЯ ЧОВНА» данный товар из каталога «Ручки» вы можете быть уверены, что после оформления заказа, доставки в Украину, вы получите именно то, что заказывали, в оговоренные сроки и европейского качества.
SELEKT Sopot, рекомендує:
КРИПЛЕННЯ RAM-111U-B ДЛЯ КАРТПЛОТТЕРІВ GPS GARMIN, HUMMINBIRD, LOWRANCE, RAYMARINE, ВСТАНОВЛЕНІ НА ПЛОСКІЙ ПОВЕРХНІ h1>
Код продукту: RAM-111U-B
Польська дистрибуція Кріплення оперативної пам’яті – кріплення та компоненти, на які поширюється довічна підтримка в Польщі.
Кріплення RAM-111U-B для ехолотів і картплоттерів GPS Garmin, Humminbird, Lowrance та Raymarine кріпиться на плоскій поверхні за допомогою поворотної головки 1,5 дюйма.
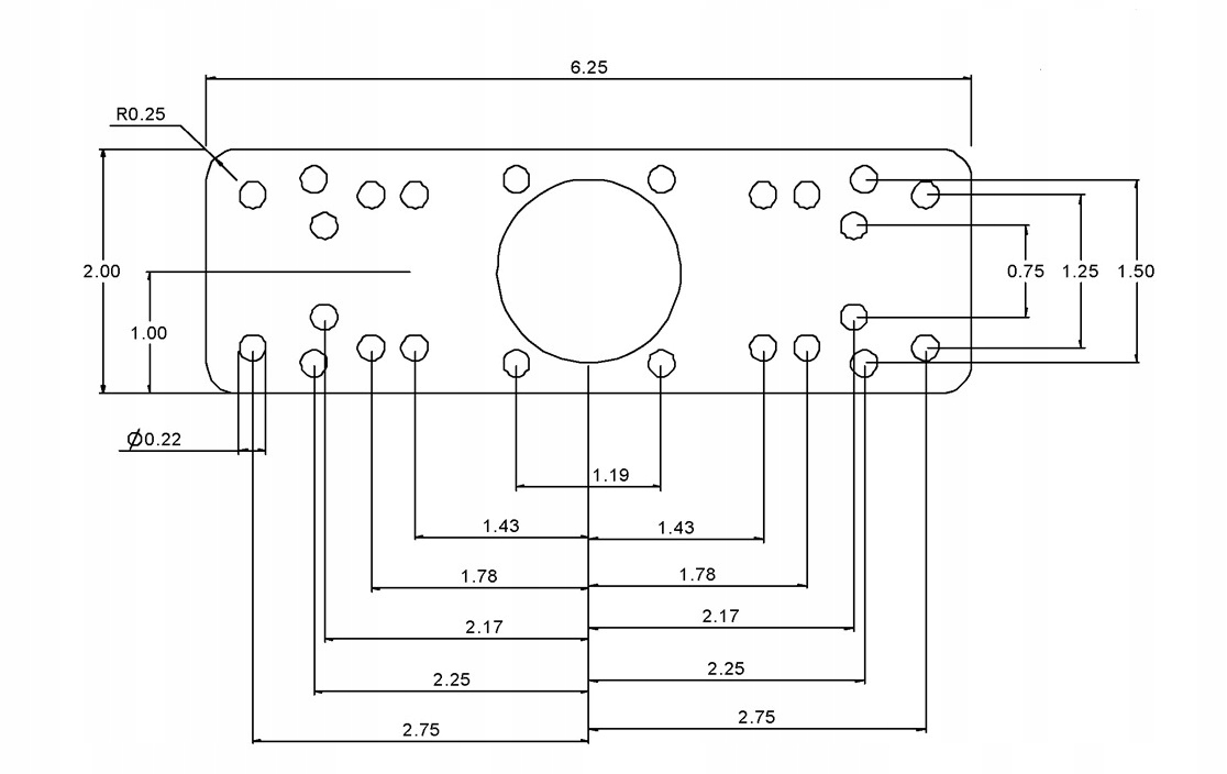
Рука 3,50 дюйма встановлена на плоскій поверхні за допомогою універсальної монтажної основи для електронних пристроїв із поворотною головкою 1,5 дюйма. RAM-101U складається з гумової кульки діаметром 1,5 дюйма, з’єднаної з плоскою круглою основою діаметром 2,5 дюйма. Основа має попередньо просвердлені отвори. Поворотна головка дозволяє широкий діапазон регулювання положення ручки. RAM-111BU складається з 1,5-дюймової поворотної головки, з’єднаної перпендикулярно з плоскою прямокутною основою розміром 6,25 x 2 дюйми. Пластина постачається з різними комбінаціями попередньо просвердлених отворів для встановлення багатьох електронних пристроїв і кріплень, зокрема морських навігаційних пристроїв, радіостанцій CB тощо.
RAM-111U-B призначений для: p>
GPS-ехолоти та картплотери Garmin
GPS-ехолоти та картплотери Humminbird
GPS-ехолоти та картплотери Lowrance
Ехолоти та картплотери The Raymarine GPS
RAM-111U-B сумісний із переліченими нижче пристроями, зокрема:
Garmin Striker 5 серії
Garmin Striker 7 серії
Garmin echoMAP Chirp 72- Серія 95Garmin GPSMAP 7607
Garmin GPSMAP 7608
Lowrance HOOK-7
Lowrance Elite-7 CHIRP
Lowrance HDS-7 Gen2 Touch
Lowrance HDS-7 Gen3
RAM-111U-B виготовлено з дуже міцних матеріалів.
