Роликовий візок для профілю 20x20 дверних воріт P-2M-20
- Час доставки: 7-10 днів
- Стан товару: новий
- Доступна кількість: 100
Оплачивая «Роллер тележка для профиля 20x20 Дверные ворота P-2M-20», вы можете быть уверены, что данное изделие из каталога «Тележки и ролики» будет доставлено из Польши и проверено на целостность. В цене товара, указанной на сайте, учтена доставка из Польши. Внимание!!! Товары для Евросоюза, согласно законодательству стран Евросоюза, могут отличаться упаковкой или наполнением.
Roll Trolley для профілю 20x20 для воріт дверей-2М-20
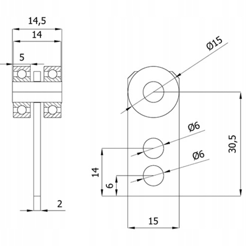
візка для 20 × 20 × 2 профілю Model P-2M-20
Товсті протягом багатьох років -a коляска, виготовлена з твердих, міцних матеріалів, гарантує довгу та безпроблемну роботу.
захист від корозії атмосферний.
Польське виробництво -Провна якість від компанії khabi .
Технічна специфікація
- Символ: P-2M-20
- Знищення: мм
- Дозвіле навантаження: 40 кг roller: 15 м М Тип роликів: 2 × метал
- вага: 0,20 кг
- ocynk
- Виробник: Zabi (Польща)
Ідеально підходить для воріт і ковзаючих дверей - надійні у повсякденному вживанні.
- Налаштування профілю - призначене для профілів із зовнішніми розмірами 20 × 20 мм та товщиною стінки 2 мм .
- Широке застосування - ідеально підходить для суспендованих конструкцій, розсувних воріт та підвісних дверей за допомогою свинцевої рейки.
- Точність роботи - ретельна продуктивність елементів та їх складання забезпечують плавну роботу візка в навантажувальній рейці, без відхилень воріт від осі.
- Параметри гнучких складів - Віза може бути прийнята до металевої конструкції або виправити з гвинтами , залежно від типу візків та вимог до встановлення.
- захист від корозії - валики мають оцинковану оболонку , яка ефективно захищає їх від іржі та погодних умов.
