SAAB 9-3 1.9 TURBO DIESEL КАБРИОЛЕТ (03-07) ПОСІБНИК
- Час доставки: 7-10 днів
- Стан товару: новий
- Доступна кількість: 1
Просматривая «SAAB 9-3 1.9 TURBO DIESEL КАБРИОЛЕТ (03-07) ПОСІБНИК», вы можете быть уверены, что данный товар из каталога «Инструкции по ремонту» будет доставлен из Польши и проверен на целостность. В цене товара, указанной на сайте, учтена доставка из Польши. Внимание!!! Товары для Евросоюза, согласно законодательству стран Евросоюза, могут отличаться упаковкой или наполнением.
SAAB 9-3 1.9 TURBO DIESEL КАБРИОЛЕТ (03-07) ПОСІБНИК
SAAB 9-3 (2002-2007) - HAYNES REPAIR MANUAL
Ви хочете знати, як відремонтувати свій автомобіль Saab 9-3?
Інформація про ремонт та конструкцію можна знайти в довіднику видавництва Haynes
УВАГА!
Пропонована книга видана англійською мовою (немає польською).
Написано на основі практичного досвіду, отриманого під час повного розбирання та складання автомобіля Saab 9-3. Haynes допоможе вам зрозуміти, доглядати та ремонтувати ваш автомобіль Saab. Ми робимо це самі, щоб допомогти вам зробити це самостійно, незалежно від ваших механічних здібностей. Книга містить практичні покрокові пояснення в поєднанні з понад 900 фотографіями, які допоможуть вам правильно виконати роботу. Регулярне обслуговування та технічне обслуговування вашого автомобіля може допомогти зберегти вартість перепродажу, заощадити гроші та зробити водіння безпечнішим.
У книзі описано моделі з такими двигунами:
Турбо-бензин:
- Saab 9-3 Saloon 2.0L (1998 cm³) (2002 - 2007),
- Saab 9-3 Estate / SportWagon 2.0L (1998 cm³) (2002 - 2007),
- Saab 9-3 Convertible 2.0L (1998 cm³) (2003 - 2007),
Turbo-Diesel:
- Saab 9-3 Saloon 1.9L (1910 cm³) (2002 - 2007),
- Saab 9-3 Estate / Sport Wagon 1.9L (1910 cm³) (2002 - 2007),
- Saab 9-3 Convertible 1.9L (1910 cm³) (2003 - 2007),
Включаючи спеціальні / обмежені випуски
У книзі НЕМАЄ b> b> інструкції включені для:
- нової серії Saab 9-3, представленої у вересні 2007 року,
- 2,2-літрових дизельних моделей,
- моделі з бензиновими двигунами 1,8 л або 2,8 л.
УВАГА!
Пропонована книга була видана англійською мовою (не доступна польська версія).
Haynes Service and Reapir Manual
Книга з ремонту, видана англійським видавництвом Хейнс (Haynes Publishing Group), є справжнім компендіумом знань майстерні. Його зміст — це цінна колекція порад і практичних порад щодо обслуговування. Посібник з обслуговування Haynes, безумовно, стане в нагоді як кваліфікованому механіку автомайстерні, так і пересічному користувачеві транспортного засобу, який бажає замінити масло в домашньому гаражі або зробити дрібний ремонт самостійно.
Варто зазначити, що автомобільні посібники Хейнса створюються шляхом повного розбирання автомобіля чи мотоцикла досвідченими механіками, а потім їх повторного складання та детального документування кожного кроку крок за кроком. Таким чином створюється дуже детальний опис автомобіля, збагачений численними фотографіями та складальними кресленнями. Важливим елементом сервісної книжки є схеми електроустановки автомобілів і мотоциклів.
Запрошую придбати інструкцію до автомобіля Saab 9-3 з двигуном 1.9 Turbo Diesel Cabrio 2003-2007 років випуску!
Зміст
Загальна інформація
Розділ 1: Частина A: Регулярне технічне обслуговування та обслуговування – бензинові моделі
Розділ 1: Частина B: Регулярне технічне обслуговування та обслуговування – дизельні моделі
Розділ 2: Частина A: Процедури ремонту бензинового двигуна в автомобілі
Розділ 2. Частина Б. Процедури ремонту дизельного двигуна SOHC в автомобілі
Розділ 2. Частина C. Процедури ремонту дизельного двигуна DOHC в автомобілі
Розділ 2: Частина D: Процедури демонтажу та капітального ремонту двигуна
Розділ 3: Системи охолодження, опалення та кондиціонування повітря
Розділ 4: Частина A: Паливні та вихлопні системи – бензинові двигуни
Розділ 4: Частина B: Паливна та вихлопна системи – дизельні двигуни
Розділ 4: Частина C: Системи контролю викидів
Розділ 5: Частина A: Системи запуску та зарядки
Розділ 5: Частина B: Система запалювання – бензинові двигуни
Розділ 6: Зчеплення
Розділ 7: Частина A: Механічна коробка передач
Розділ 7: Частина B: Автоматична коробка передач
Розділ 8: Привідні вали
Розділ 9: Гальмівна система
Розділ 10: Системи підвіски та рульового керування
Розділ 11: Кузов і пристосування
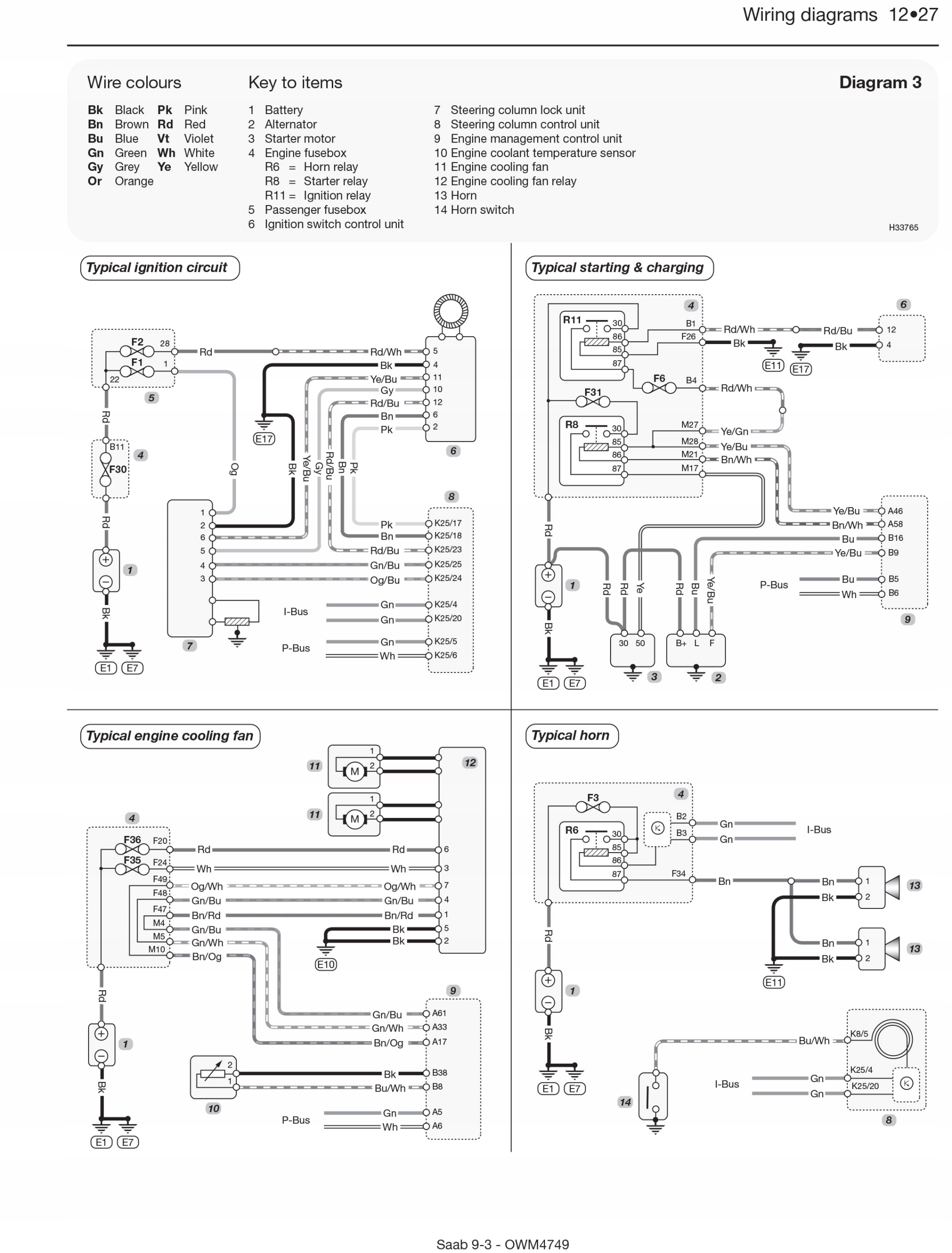
Розділ 12: Електричні системи кузова, електросхеми, довідка
Типовий посібник Haynes Manuals містить:
Опис та ідентифікацію моделі
Примітки щодо безпеки
Аварійний ремонт на дорозі Saab 9-3 1.9 Turbo Diesel
- Що робити, якщо ваше авто не заводиться?
- Способи аварійного запуску двигуна (кредитний запуск)
- Заміна колеса
- Виявлення витоків
- Буксирування автомобіля
Технічне обслуговування (щотижневі перевірки)
Перелік контрольних точок і перевірок
Перевірка рівня масла
Перевірка рівня охолоджуючої рідини
Перевірка рівня рідини для омивання вітрового скла
Перевірка стану шин і тиску в них
Перевірка рівня гальмівної рідини та рідини зчеплення
Перевірка рідини в системі гідропідсилювача керма
Перевірка та оцінка стану склоочисників
Перевірка працездатності акумулятора
Перевірка електричних систем і систем автомобіля
Мастила та робочі рідини - список
Тиск у шинах – таблиця для типових розмірів коліс
Технічне обслуговування автомобіля
Технічне обслуговування та обслуговування автомобіля
Специфікація сервісної діяльності p>
Графік технічного обслуговування та періодичних оглядів
Обсяг робіт з технічного обслуговування
Ремонт та огляд автомобілів
Служба з двигуна та відповідних систем
Процедури ремонту та поради щодо обслуговування
Порядок розбирання двигуна та перевірки
Система охолодження, опалення та кондиціювання повітря
Паливна та вихлопна система
Каталітичний нейтралізатор і система контролю викидів вихлопних газів
p>
Стартер і генератор
Система запалювання
Трансмісія
Зчеплення
Механічна коробка передач
Автоматична коробка передач
Карданні вали
Гальма та підвіска автомобіля
Гальмівна система
Підвіска та рульове керування
Обладнання автомобіля
Кузов та комплектація
Електрообладнання
Електросхеми
Характеристики автомобіля
Розміри та вага автомобіля
Конверсія одиниць
Придбання запасних частин
Ідентифікація та маркування автомобіля
Загальні процедури ремонту
Підвищення транспортного засобу
Від'єднання акумулятора
Інструменти та умови роботи
Перевірка технічного стану
Діагностика та виявлення несправностей
Глосарій технічних термінів
