Щітки вугільні Makita CB153 для гайкового ключа TW1000
- Час доставки: 7-10 днів
- Стан товару: новий
- Доступна кількість: 3
Оплачивая «Щітки вугільні Makita CB153 для гайкового ключа TW1000», вы можете быть уверены, что данный товар из каталога «Угольные щетки» будет доставлен из Польши и проверен на целостность. В цене товара, указанной на сайте, учтена доставка из Польши. Внимание!!! Товары для Евросоюза, согласно законодательству стран Евросоюза, могут отличаться упаковкой или наполнением.
/ Вугільні щітки Makita CB153 для електропили / бензопили UC3530A
CARBON BRUSH CB-153
- Виробник: Makita
- Код виробника: 181044-0
- Код EAN: 0088381121521 li>
- Позиція на схемі: 26 - UC3530A
Застосування:
Пила / настільна пила
- 2702
- 2704
- 2708
Пила / циркулярна пила
- 5008MG
- 5103N
- 5201N
- 5402
- HS0600
- N5900B
Маршрутизатор маршрутизатор
- 3612BR
Товщиностругальний станок
- 2012< /li>
- 2012NB
Портативний різак
- 2416S b>
Різак по металу
- 2414
Електропила/бензопила
- 5012B
- 5014NB
- 5016NB
- 5016B
- UC3530A
- UC3551A
- UC4051A
- UC3030A
- UC4030A b> li>
Ударний гайковерт
- 6910
- TW1000
Стрічковий шліфувальний верстат
- 9401
- 9402
- M9400
- MT941
Кутова шліфувальна машина
- 9607 ГБ
- 9609HB
- 9609NB b>
Пила / торцювальна пила / торцювальна пила
- LS1019L li>
- LS1030
- LS1030N
- LS1040
- LS1040F
- LS1216
- LS1216L
- LS1219L
- LS1440
- LS1013
- LS1013F li>
- LS1016
- LS1016L
- LS1214
- LS1214F
- LS1214L
- LS1440
Кос пила / настільна пила
- LF1000
- LH1040
- LH1040F
Прорізний верстат для ланцюга
- 7104L < /ul>
- 1806
- 1806B
- 4157KB
- 4107R
Струга / столярний літак
Алмазний різець для різання бетону
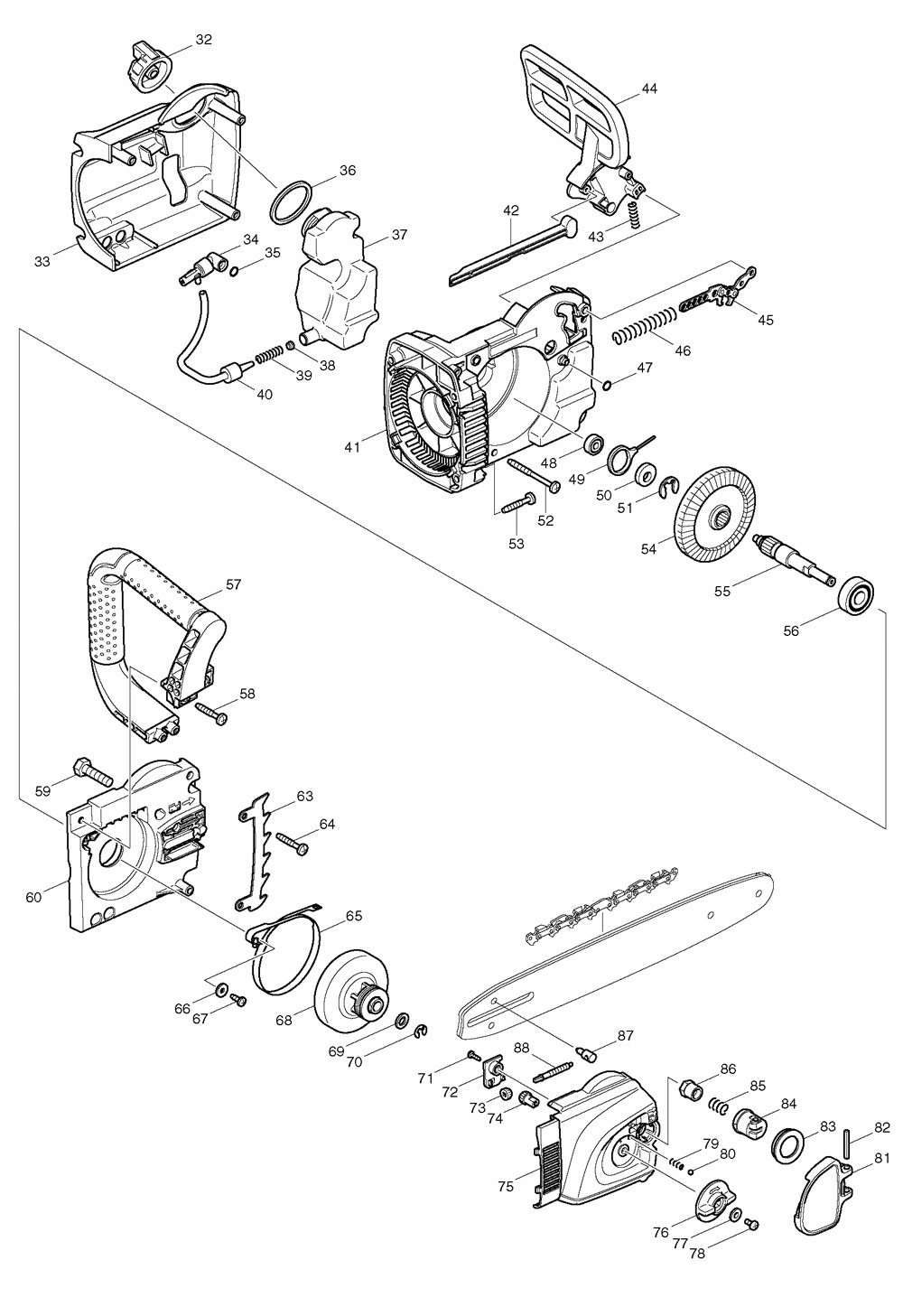
Перелік деталей для UC3530A
Елемент на схемі, номер за каталогом, опис, кількість
001 ; 226743-8 Пряма конічна шестерня 14 ; 1
002 ; 419410-4 Пороги керма ; 1
003 ; 211111-8 ПІДШИПНИК 6301LLB ; 1
004 ; 240001-8 Вентилятор 80 ; 1
005 ; 616969-4 Ротор електродвигуна 240В ; 1
006-1 ; 681666-1 Смоляна шайба ; 1
007 ; 211057-8 ПІДШИПНИК 629ZZ ; 1
008 ; 639530-0 Статор 240 В ; 1
009 ; 266095-5 Саморіз з опуклою головкою PT 5X55 ; 2
010 ; 265995-6 Саморіз з опуклою головкою PT 4X18 ; 1
011 ; 188818-0 Набір ручок ; 1
C10 ; 810198-3 Попереджувальний ярлик ; 1
012-1 ; 654475-1 Клемна колодка ; 1
013A ; 867109-9 Паспортна табличка UC3530A ; 1
014 ; 650577-1 Перемикач SD-006-BB2AA-AA ; 1
015 ; 631719-6 Контролер ; 1
016 ; 682574-9 CORD GUARD 10-90 ; 1
017A ; 665894-6 Кабель живлення 1,0-2-0,5 ; 1
017-1С ; 665883-1 Кабель живлення 1.0-2-5.0 ; 1
018 ; 687124-5 ЗНЯТТЯ НАТЯЖЕННЯ ; 1
019 ; 265995-6 Саморіз з опуклою головкою PT 4X18 ; 2
020 ; 416178-3 КНОПКА БЛОКУВАННЯ ; 1
021 ; 233173-6 Натискна пружина 4 ; 1
022 ; 419411-2 Важіль перемикача ; 1
023 ; 645239-4 ШУМОГОЛОВНИК ; 1
024 ; 651923-1 Перемикач TG70B ; 1
025-1 ; 643650-4 Ковпачок ЩІТКОТРИМАЧА 6,5-13,5 ; 2
026 ; 181044-0 Вугільні щітки 153 ; 1
027 ; 154867-9 Комплект корпусів двигуна; 1
C11 ; 643536-2 Тримач вугільних щіток 6,5X13,5 ; 2
028 ; 188818-0 Набір ручок ; 1
C10 ; 810198-3 Попереджувальний ярлик ; 1
029 ; 265995-6 Саморіз з опуклою головкою PT 4X18 ; 1
030 ; 265995-6 Саморіз з опуклою головкою PT 4X18 ; 5
032 ; 154870-0 TANK CAP COMPLETE ; 1
033 ; 419412-0 Кришка коробки передач; 1
034-1 ; 142002-1 МАСЛЯНИЙ НАСОС КОМПЛЕКТ ; 1
035 ; 213039-6 Ущільнювальне кільце 6 ; 1
036 ; 421959-2 Прокладка масляного бака ; 1
037 ; 419407-3 Масляний бак ; 1
038 ; 416274-7 CAP ; 1
039 ; 231975-4 Весна ; 1
040 ; 421958-4 МАСЛОТРУБКА ; 1
041 ; 419408-1 Корпус редуктора ; 1
042 ; 419413-8 Стрижень ; 1
043 ; 233174-4 Пружина стиснення 6 ; 1
044 ; 451130-4 ПЕРЕДНИЙ ЗАХИСТ РУКИ ; 1
045 ; 158044-5 З'єднувальна пластина ; 1
046 ; 234005-0 Натискна пружина 9 ; 1
047 ; 213039-6 Ущільнювальне кільце 6 ; 1
048 ; 211012-0 ПІДШИПНИК 606ZZ ; 1
049 ; 450230-7 Кривошип ; 1
050 ; 417405-1 Кулачок ; 1
051 ; 259034-2 Стопорне кільце E-10 ; 1
052-1 ; 266044-2 Гвинт саморіз з опуклою головкою PT 5X60 ; 2
053 ; 266173-1 Саморіз з опуклою головкою PT 5X30 ; 4
054 ; 226741-2 Пряма конічна шестерня 43 ; 1
055 ; 324662-3 шпиндель; 1
056 ; 211107-9 ПІДШИПНИК 6201ZZ ; 1
057-1 ; 455487-5 Передня ручка ; 1
058 ; 266173-1 Саморіз з опуклою головкою PT 5X30 ; 2
059 ; 921452-1 Гвинт з шестигранною головкою M8X30 ; 1
060 ; 318013-0 Корпус підшипника ; 1
063 ; 345651-5 ШИПОВИЙ БАМПЕР ; 1
064 ; 266173-1 Саморіз з опуклою головкою PT 5X30 ; 2
065 ; 168426-3 ГАЛЬМОВА СТРІЧКА ; 1
066 ; 267195-4 Шайба 4 ; 1
067 ; 266026-4 Саморіз з опуклою головкою CT 4X12 ; 1
068-2 ; 125331-7 Барабан зчеплення ; 1
069 ; 253215-0 Под
