Шлицевий ключ з кулькою M6 [6]
- Час доставки: 7-10 днів
- Стан товару: новий
- Доступна кількість: 4360
Оплачивая «Ключ шлицевой с шариком М6 [6]» данное изделие из «Остальные» вы можете быть уверены, что после оформления заказа, доставки в Украину, вы получите именно то, что заказывали, в оговоренные сроки и европейского качества.
Шпонка з кулькою M6 [6]
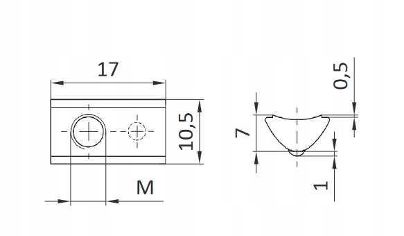
Обертовий пазовий ключ із кулькою серії LI для 6-мм канавки з внутрішньою різьбою М6 є практичним монтажним елементом для алюмінієвих профілів Leanflex. Кулька, яка встановлена на пружині, утримує паз на місці і не дозволяє йому зміщуватися, що полегшує монтаж, особливо у вертикальних і важкодоступних місцях. Можливість монтажу зверху шляхом повороту паза, без необхідності вставляти профіль спереду, дозволяє легко монтувати також у готові конструкції. Виготовлений із оцинкованої сталі, він забезпечує високу міцність і стійкість до корозії.
